FREE REPAIR MANUALS & LABOR GUIDES 1982-2013 Vehicles
Courtesy of Operation CHARM: Car repair manuals for everyone.

Engine Speed Sensor: Service and Repair






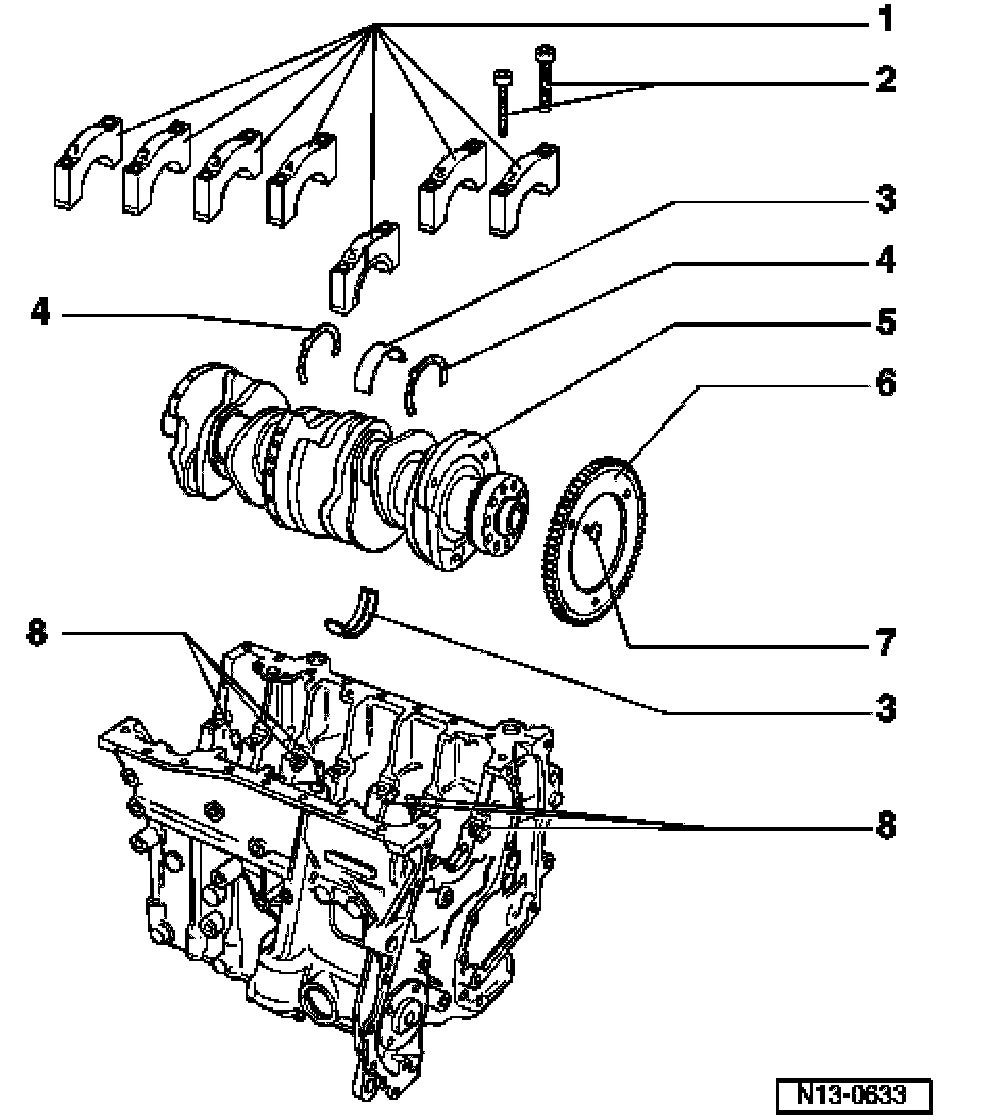
6. Sensor wheel
^ For Engine speed (RPM) sensor -G28
^ Replace
^ Installing
7. 10 Nm plus additional1/4 turn (90°) further
^ Replace
^ Observe sequence when tightening 1
8. Oil spray jet
^ For piston cooling
^ Opening pressure: 2.0 bar
^ Removing and installing, Refer to Engine Lubrications, Service and Repair, Lubrication System, Component servicing
^ See note, Refer to Note Above





Fig. 1 Installing sensor wheel to crankshaft
Special tools and equipment
^ VAG 1331 Torque wrench (5...50 Nm)
^ D 000 600 A2 Locking compound

Work sequence
Make sure crankshaft/sensor wheel contact surfaces are free of oil and grease.
- Apply a thin coat of locking compound D 000 600 A2 to contact surfaces of crankshaft and sensor wheel for additional security.
- Note when installing, "VR6" -arrow- is marked at individual threaded holes.
- Tighten all new securing bolts lightly by hand.
- Tighten securing bolt -1- to 10 Nm plus additional 90° (1/4 turn).
- Tighten securing bolts -2- to 10 Nm plus additional 90° (1/4 turn).