FREE REPAIR MANUALS & LABOR GUIDES 1982-2013 Vehicles
Courtesy of Operation CHARM
:
Car repair manuals for everyone.
Home
>>
Volkswagen
>>
1984
>>
Quantum L5-2144cc 2.2L SOHC
>>
Repair and Diagnosis
>>
Heating and Air Conditioning
>>
Diagrams
>>
Exploded Views
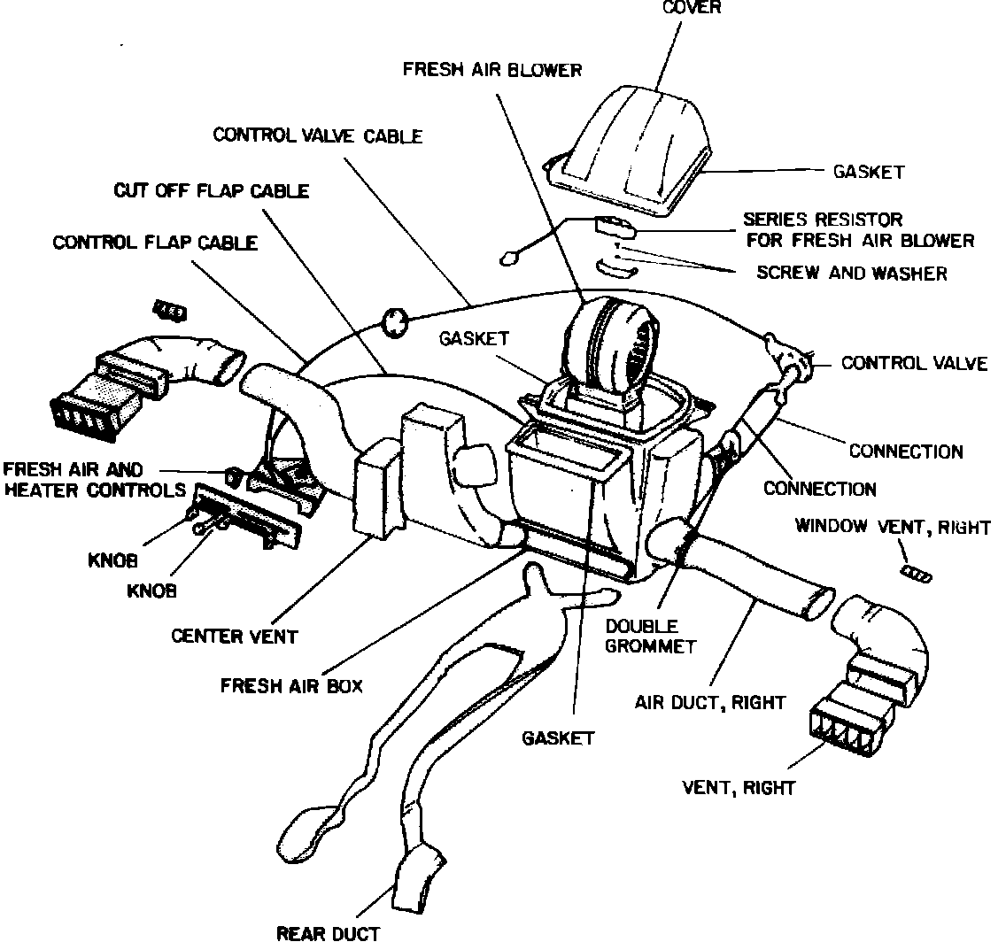
Exploded Views
Fig. 3 Heater assembly removal.:
Fig. 4 Exploded view of heater assembly.: