FREE REPAIR MANUALS & LABOR GUIDES 1982-2013 Vehicles
Courtesy of Operation CHARM
:
Car repair manuals for everyone.
Home
>>
Volkswagen
>>
1983
>>
Quantum L5-2144cc 2.2L SOHC
>>
Repair and Diagnosis
>>
Diagrams
>>
Exploded Views
>>
Engine
>>
System Diagram
>>
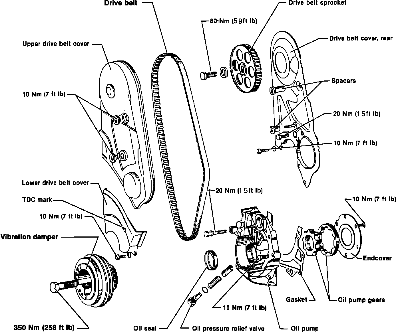
Oil Pump
Oil Pump
Oil Pump: