FREE REPAIR MANUALS & LABOR GUIDES 1982-2013 Vehicles
Courtesy of Operation CHARM
:
Car repair manuals for everyone.
Home
>>
Volkswagen
>>
1982
>>
Quantum L4-1715cc 1.7L SOHC
>>
Repair and Diagnosis
>>
Diagrams
>>
Exploded Views
>>
Shift Linkage, M/T
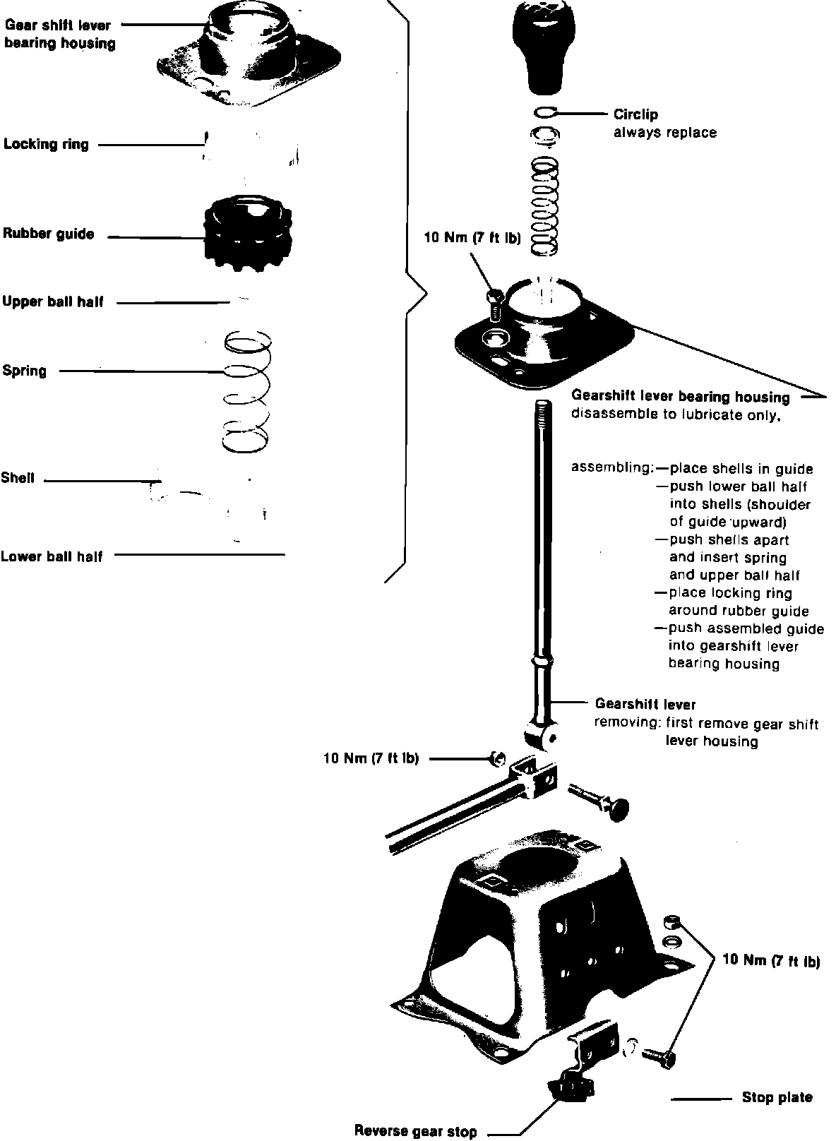
Shift Linkage, M/T
Shifter Exploded View:
Shift Mechanism Exploded View: