FREE REPAIR MANUALS & LABOR GUIDES 1982-2013 Vehicles
Courtesy of Operation CHARM: Car repair manuals for everyone.

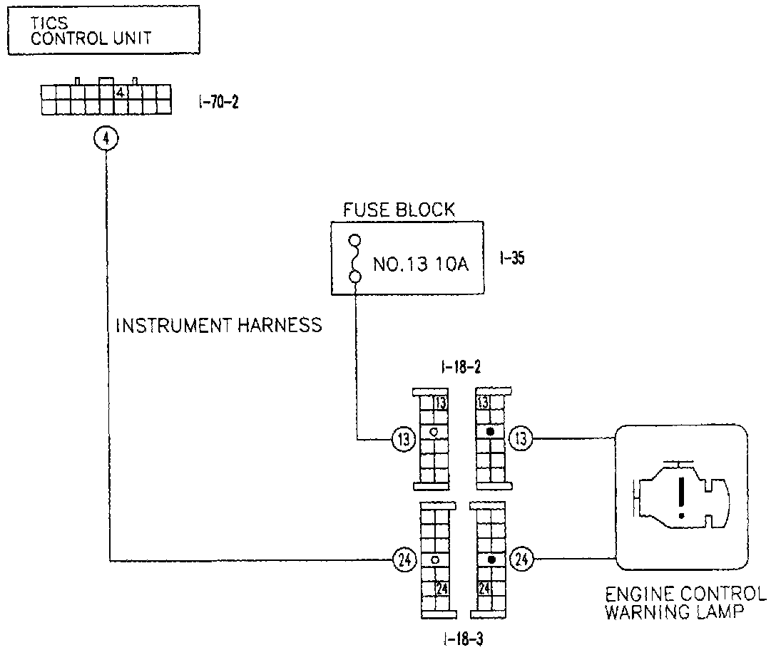
Checking Diagnosis Light System

[3] TROUBLE-SHOOTING

If the trouble diagnosis makes the condition of the trouble clear, go on to trouble-shooting.
The explanation below gives the procedure for trouble-shooting for each trouble location (this forms a pair with the diagnosis display code).

[Precautions when carrying out trouble-shooting]
(1) Precautions when checking the wiring harness
There is a high probability that problems with the wiring harnesses, such as disconnections, short circuits, and improper contact, will occur at the connector. It is rare for disconnections or short circuits to occur in the wiring inside the wiring harness, but these problems can occur if there is interference between the wiring harness and other parts, causing it to ground with the body. When checking for abnormalities in the wiring harness, be particularly careful to check the following.
1. Is the connector properly connected?
2. Are any pins deformed?
3. Is there any dirt or dust stuck in the terminal, or is there any corrosion?
4. Is there any disconnection or short circuit at the joint of the connector.
5. Has the grounding been carries out properly?
6. Is there any interference between the wiring harness and other parts, or any improper insulation?







(2) Precautions when measuring resistance at connector and checking continuity
1. When checking the resistance at the connector terminal and checking the continuity, the terminal hole is small, so strip the lead wire, insert two or three copper wires, and make sure that the terminal and lead wire are properly in contact. (For female terminals)







2. Do not insert the test lead of the tester directly into the connector terminal. If it is pushed in by force, the terminal inside the connector will be expanded and this will cause improper contact.







3. After completing this operation, check the connection of the connectors. Be particularly careful with the Z connectors for the engine because these can easily remain incompletely connected.











A. Inside of glove compartment
Remove the lid and front cover of the glove compartment. Locations for inspection
1. Control unit proper
2. Instrument harness connector [I-70-2] (18 pin, black)
3. Instrument harness connector [I-70-1] (12 pin, black)







4. Fuse block







B. Right side of engine
1. Chassis harness connector [C-16] (7 pin)
2. Engine harness connector [E-4] (7 pin)







C. Front of engine
Location for inspection
1. Engine coolant temperature sensor harness connector [E-7] (2 pin)

NOTE:
- There are two engine coolant temperature sensors of the same type beside each other.
The one for the MD-TICS is distinguished by the wiring at the engine harness end (blue/red, blue/black).

2. Engine speed sensor harness connector [E-2] (2 pin)







D. Left side of the cab
Locations for inspection
1. Rack sensor harness connector [I-55] (2 pin)







E. Rear of engine
1. Pre-stroke actuator harness connector [C-37] (8 pin)
2. Rack sensor harness connector [C-38] (4 pin)

[Service data]







(1) CHECKING DIAGNOSIS LIGHT SYSTEM (light does not light up)












[CHECK/1] Check fuses
1. Check if the other lights on the cluster meter light up.
2. Judgement
- If it lights up - fuse is normal -> go to [CHECK/2]
- If it does not light up -> replace fuse







[CHECK/2] Check lights
1. Turn the ignition key switch OFF, then remove instrument harness connector [I-70-2].
2. Turn the ignition switch ON, then use the lead wire to ground terminal (4) of connector [I-70-2], and check if the light lights up.
3. Judgement
- If it lights up -> lamp is normal -> go to [CHECK/3]
- If it does not light up -> go to [CHECK/4]







[CHECK/3] Check continuity between control unit and body ground
1. Check the continuity between the body and terminal (12) of instrument harness [I-70-2].
2. Judgement
- Continuity -> abnormality in control unit -> replace control unit
- No continuity -> abnormality in harness -> repair or replace harness


[CHECK/4] Check continuity between control unit-light-fuse







1. Check the continuity between the fuse (monitor panel 10 A) and terminal (4) of instrument harness connector [I-70-2].
2. Judgement
- Continuity -> check again from [CHECK/2]
- No continuity -> light bulb blown or disconnection in harness -> replace light, or repair or replace harness

NOTE: After completing each operation, carry out trouble-shooting with the diagnostic light and confirm that there is no abnormality.