FREE REPAIR MANUALS & LABOR GUIDES 1982-2013 Vehicles
Courtesy of Operation CHARM: Car repair manuals for everyone.

Removal





HEATING / AIR CONDITIONING: COMPRESSOR (for 2ZR-FE): REMOVAL

1. RECOVER REFRIGERANT FROM REFRIGERATION SYSTEM Service and Repair

2. REMOVE NO. 2 CYLINDER HEAD COVER Removal

3. REMOVE ENGINE UNDER COVER RH

4. REMOVE V-RIBBED BELT Removal

5. DISCONNECT SUCTION HOSE SUB-ASSEMBLY

(a) Remove the bolt and disconnect the suction hose sub-assembly from the compressor assembly with pulley.





(b) Remove the O-ring from the suction hose sub-assembly.

NOTICE:
Seal the openings of the disconnected parts using vinyl tape to prevent entry of moisture and foreign matter.

6. DISCONNECT DISCHARGE HOSE SUB-ASSEMBLY

(a) Remove the bolt and disconnect the discharge hose sub-assembly from the compressor assembly with pulley.





(b) Remove the O-ring from the discharge hose sub-assembly.

NOTICE:
Seal the openings of the disconnected parts using vinyl tape to prevent entry of moisture and foreign matter.

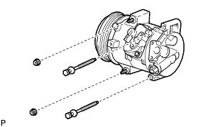
7. REMOVE COMPRESSOR ASSEMBLY WITH PULLEY

(a) Disconnect each connector.

(b) Disengage the clamp.

(c) Remove the 2 bolts and the 2 nuts.





(d) Using a "TORX" socket wrench (E8), remove the 2 stud bolts and the compressor assembly with pulley.