FREE REPAIR MANUALS & LABOR GUIDES 1982-2013 Vehicles
Courtesy of Operation CHARM
:
Car repair manuals for everyone.
Home
>>
Toyota
>>
2011
>>
Matrix FWD L4-1.8L (2ZR-FE)
>>
Repair and Diagnosis
>>
Engine, Cooling and Exhaust
>>
Engine
>>
Intake Manifold
>>
Service and Repair
>>
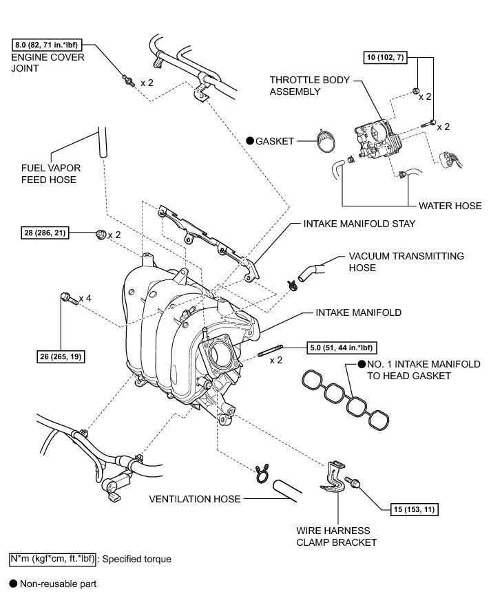
Components
Components
2ZR-FE INTAKE / EXHAUST:
INTAKE MANIFOLD
: COMPONENTS