FREE REPAIR MANUALS & LABOR GUIDES 1982-2013 Vehicles
Courtesy of Operation CHARM
:
Car repair manuals for everyone.
Home
>>
Toyota
>>
2011
>>
Matrix AWD L4-2.4L (2AZ-FE)
>>
Repair and Diagnosis
>>
Powertrain Management
>>
Computers and Control Systems
>>
Data Link Connector
>>
Locations
>>
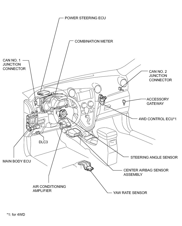
CAN Communication System
CAN Communication System
NETWORKING: CAN COMMUNICATION SYSTEM: PARTS LOCATION