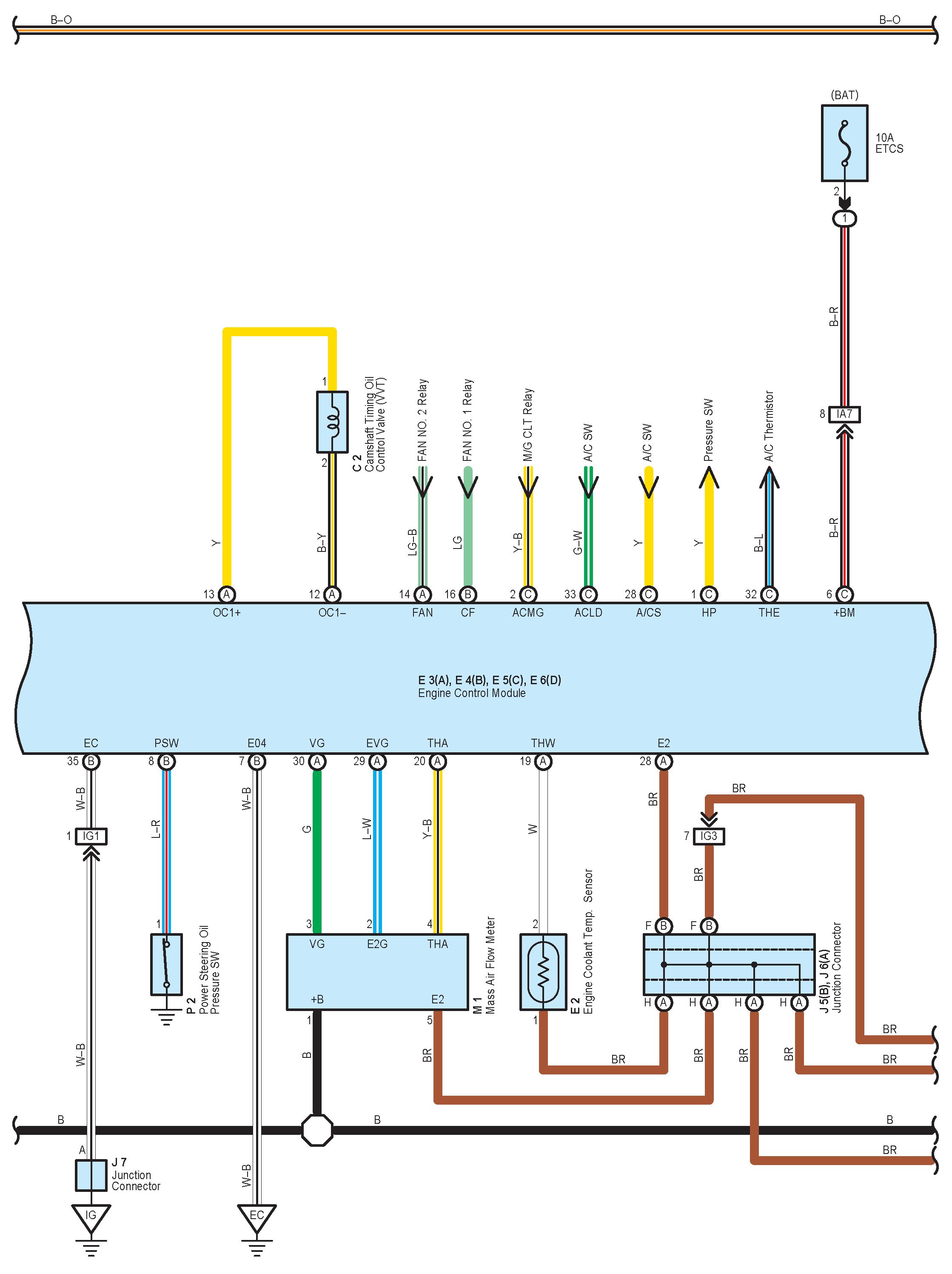
Engine Control Part 4
Engine Control Part 4:
Diagram Legend:
Next Diagram Engine Control Part 5
Previous Diagram Engine Control Part 3
Locations: The locations of components, connectors, ground points, and splices referred to within these diagrams can be found at Vehicle Locations. Locations
Connector Views: The connector views for connectors referred to within these diagrams can be found at the Vehicle level Connector Views. Connector Views