FREE REPAIR MANUALS & LABOR GUIDES 1982-2013 Vehicles
Courtesy of Operation CHARM: Car repair manuals for everyone.

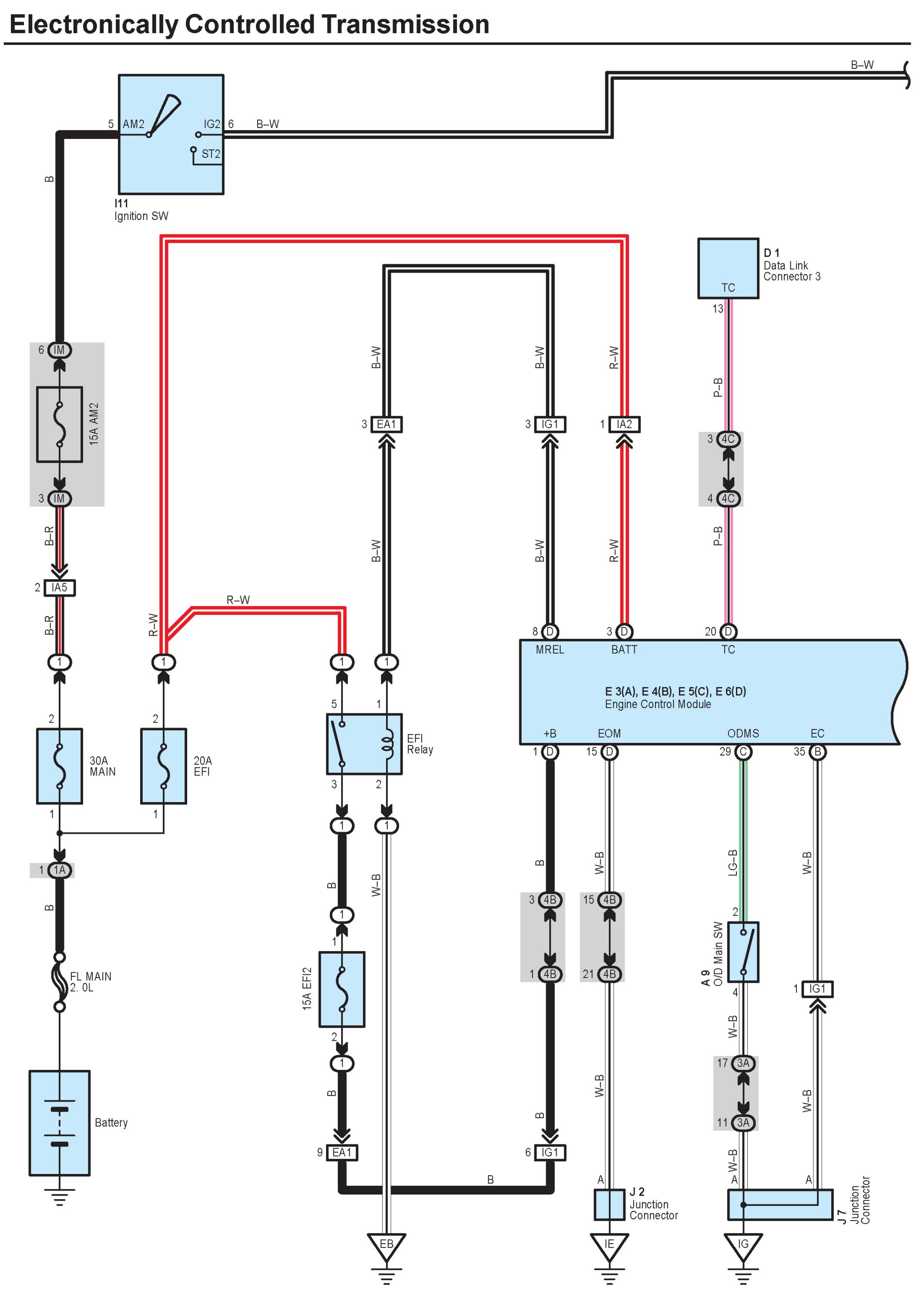
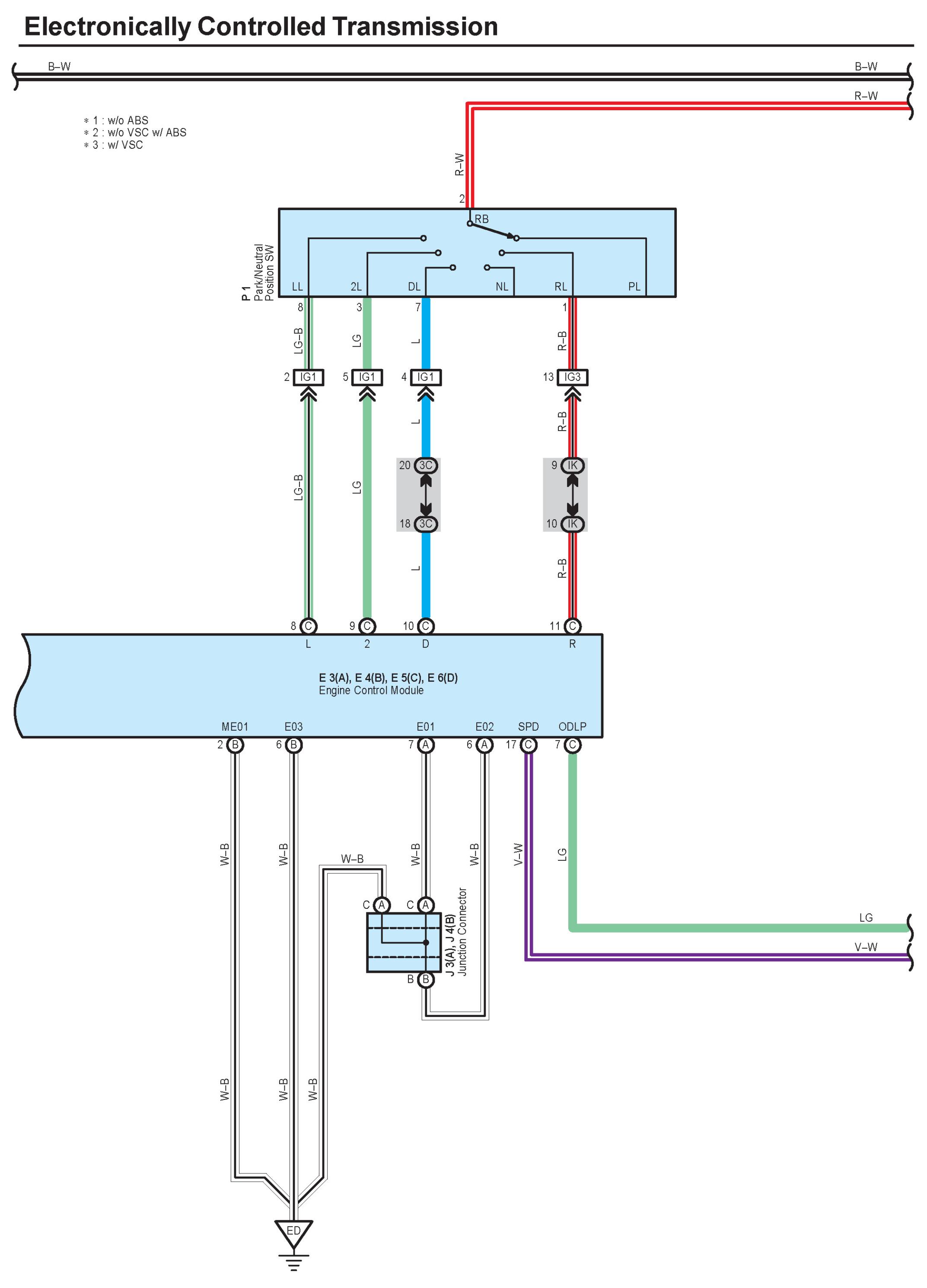
Transmission Control Systems

Electronically Controlled Transmission Part 1:




Electronically Controlled Transmission Part 2:




Electronically Controlled Transmission Part 3:




Electronically Controlled Transmission Part 4:




Diagram Legend:






Locations: The locations of components, connectors, ground points, and splices referred to within these diagrams can be found at Vehicle Locations. Locations

Connector Views: The connector views for connectors referred to within these diagrams can be found at the Vehicle level Connector Views. Connector Views