FREE REPAIR MANUALS & LABOR GUIDES 1982-2013 Vehicles
Courtesy of Operation CHARM
:
Car repair manuals for everyone.
Home
>>
Toyota
>>
2004
>>
Solara V6-3.3L (3MZ-FE)
>>
Repair and Diagnosis
>>
Diagrams
>>
Exploded Views
>>
Engine
>>
System Diagram
>>
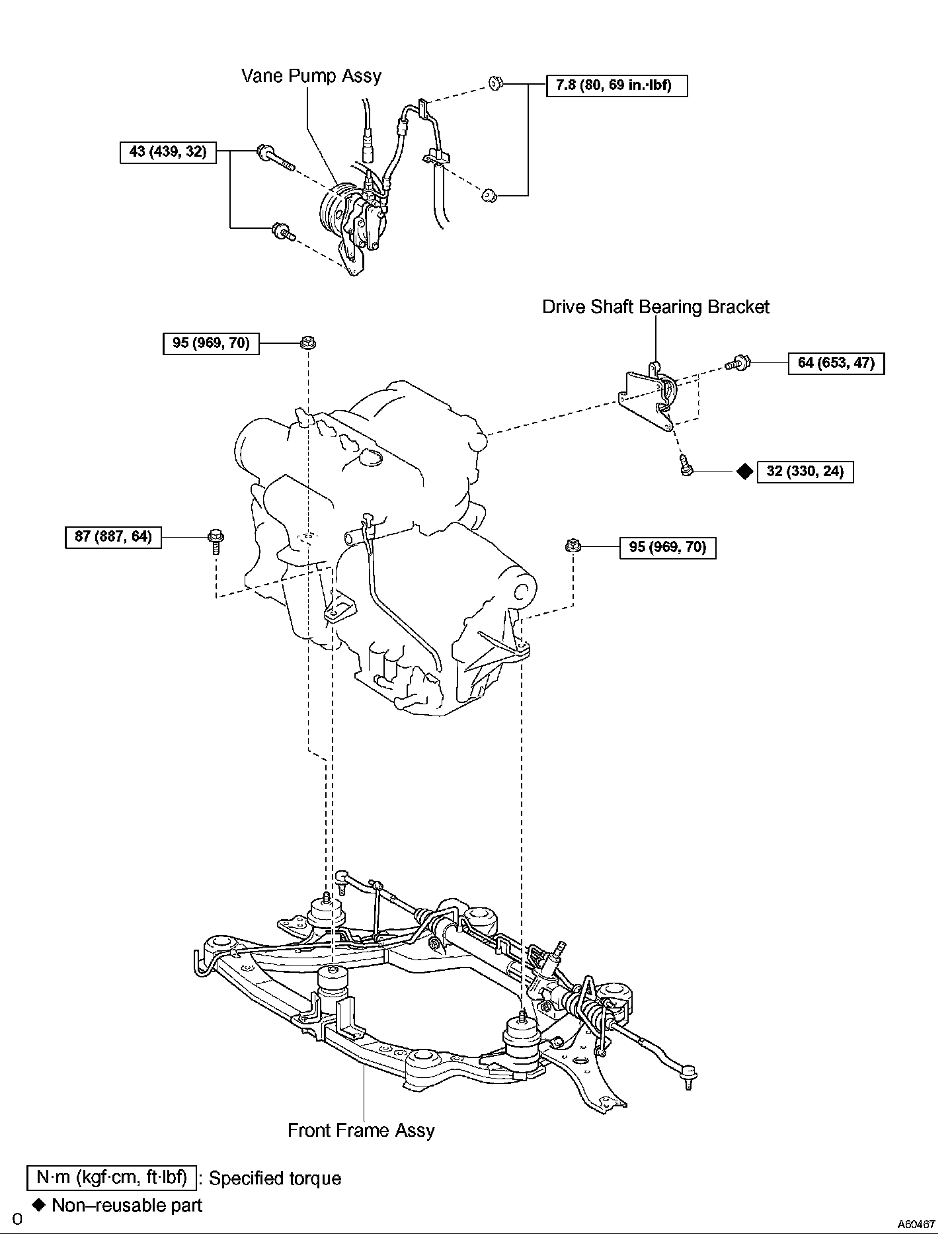
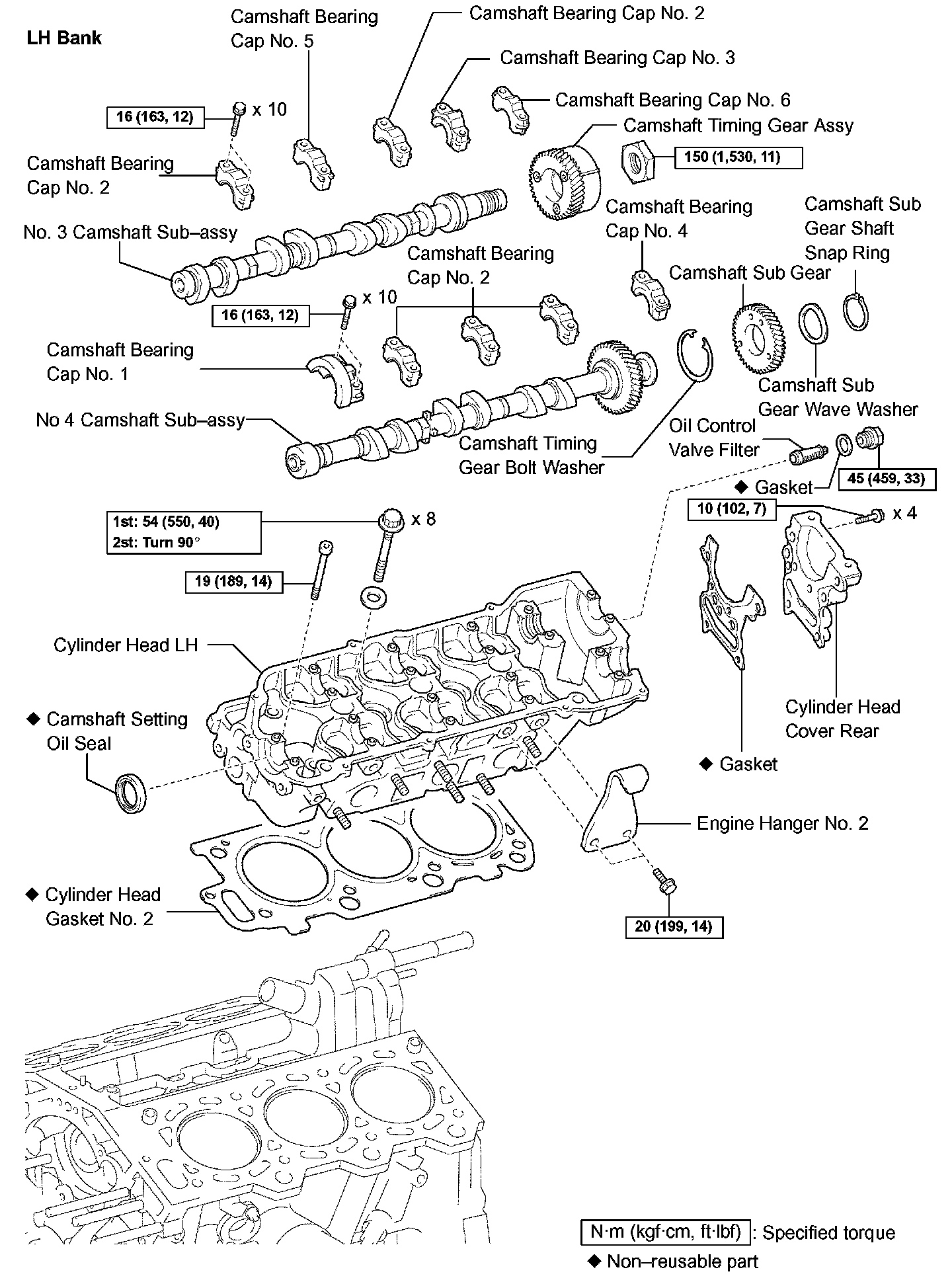
Partial Engine Assembly
Partial Engine Assembly
RH Bank:
LH Bank:
PARTIAL ENGINE ASSY REPLACEMENT AND OVERHAUL W/ RELATED COMPONENTS