Key Lock-In Prevention Function Does Not Work Properly
KEY LOCK-IN PREVENTION FUNCTION DOES NOT WORK PROPERLY (MANUAL OPERATION AND KEY-LINKED LOCK ARE AVAILABLE)CIRCUIT DESCRIPTION
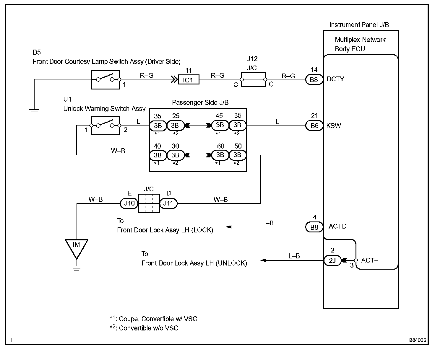
To prevent the key from being locked in the vehicle, the body ECU prevents doors from being locked by monitoring 2 switches: 1) the unlock warning switch, which turns ON when the key is inserted into the ignition key cylinder; and 2) the driver side courtesy lamp switch, which turns ON when the driver side door is opened.
Wiring Diagram:
Step 1 - 2:
Step 3 - 4:
Step 5 - 6:
INSPECTION PROCEDURE