FREE REPAIR MANUALS & LABOR GUIDES 1982-2013 Vehicles
Courtesy of Operation CHARM
:
Car repair manuals for everyone.
Home
>>
Toyota
>>
2004
>>
Solara L4-2.4L (2AZ-FE)
>>
Repair and Diagnosis
>>
Powertrain Management
>>
Computers and Control Systems
>>
Relays and Modules - Computers and Control Systems
>>
Oxygen Sensor Relay
>>
Locations
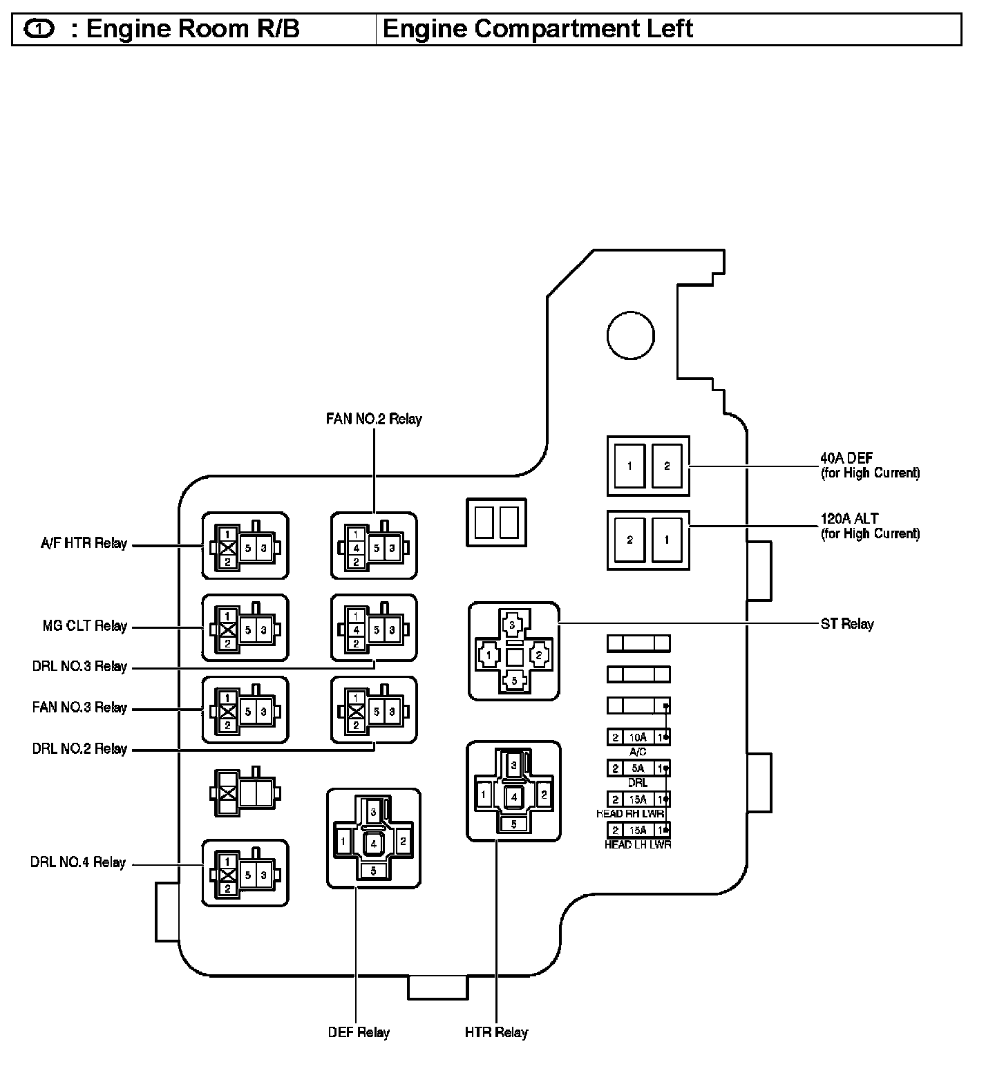
Oxygen Sensor Relay: Locations
Engine Room R/B - Engine Compartment Left:
SFI System:
Starting System (2AZ-FE):