FREE REPAIR MANUALS & LABOR GUIDES 1982-2013 Vehicles
Courtesy of Operation CHARM
:
Car repair manuals for everyone.
Home
>>
Toyota
>>
2004
>>
Echo L4-1.5L (1NZ-FE)
>>
Repair and Diagnosis
>>
Diagrams
>>
Exploded Views
>>
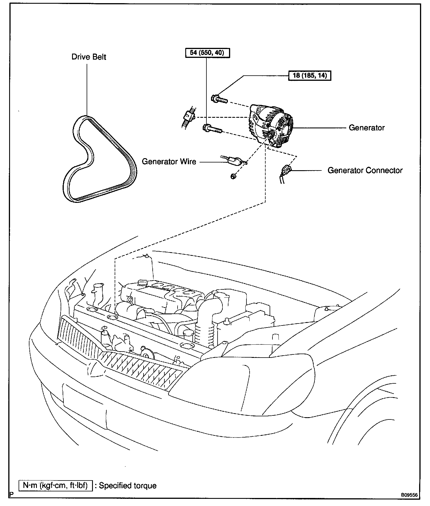
Alternator
Alternator
Generator (Part 1):
Generator (Part 2):