FREE REPAIR MANUALS & LABOR GUIDES 1982-2013 Vehicles
Courtesy of Operation CHARM: Car repair manuals for everyone.

System Specifications

Cylinder head set bolt Length
Standard 146.8 - 148.2 mm (5.780 - 5.835 inch)
Maximum 148.5 mm (5.846 inch)

Cylinder head warpage
Cylinder block side 0.05 mm (0.0020 inch)
Intake manifold side 0.10 mm (0.0039 inch)
Exhaust manifold side 0.10 mm (0.0039 inch)

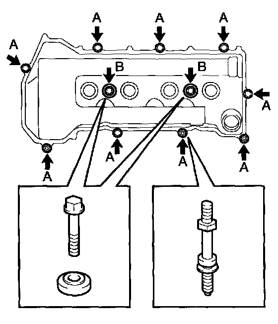
Cylinder head cover No.2 x Cylinder head cover sub-assy 7.0 Nm (71 kgf-cm, 62 inch lbs.)





Cylinder head cover sub-assy x Cylinder head sub-assy
A 11 Nm (112 kgf-cm, 8 ft. lbs.)
B 9.0 Nm (92 kgf-cm, 80 inch lbs.)

Cylinder head cover sub-assy x Timing chain or belt cover sub-assy 11 Nm (112 kgf-cm, 8 ft. lbs.)





Cylinder head sub-assy x Cylinder block sub-assy
1st 49 Nm (500 kgf-cm, 36 ft. lbs.)
2nd Turn 90°





Cylinder head sub-assy x Stud bolt
A, D and E 9.5 Nm (97 kgf-cm, 84 inch lbs.)
B and C 5.0 Nm (51 kgf-cm, 44 inch lbs.)
W/ Head taper screw plug No.2 x Cylinder head sub-assy 44 Nm (449 kgf-cm, 33 ft. lbs.)

INTAKE MANIFOLD
Intake manifold x Cylinder head sub-assy 30 Nm (306 kgf-cm, 22 ft. lbs.)

EXHAUST MANIFOLD
Torque 37 Nm (377 kgf-cm, 27 ft. lbs.)