FREE REPAIR MANUALS & LABOR GUIDES 1982-2013 Vehicles
Courtesy of Operation CHARM: Car repair manuals for everyone.

Engine Torque and Sequences









CYLINDER HEAD SUB-ASSY
a. Apply a light coat of engine oil on the threads of the cylinder head bolts.
b. Install the plate washers to the cylinder head bolts.
c. Uniformly install and tighten the 8 cylinder head bolts in the sequence shown in the illustration.
Torque: 54 Nm (550 kgf-cm, 40 ft. lbs.)





d. Mark the front side of each cylinder head bolt head with paint as shown in the illustration.
e. Retighten the cylinder head bolts by 90° in the same sequence as step (c).
f. Check that each painted mark is now at a 90° angle to the front.








g. Using a socket hexagon wrench 8, install the hexagon bolt.
Torque: 19 Nm (189 kgf-cm, 14 ft. lbs.)





CYLINDER HEAD SET BOLT
a. Using a vernier caliper, measure the tension portion diameter of the bolt.
Specified outside diameter: 8.75 to 9.05 mm (0.3445 to 0.3563 inch)
If the diameter is less than the minimum, replace the bolt.





CYLINDER HEAD FLATNESS
a. Using a precision straight edge and a feeler gauge, mea sure the surface contacting the cylinder block and the manifolds for warpage.





Maximum warpage

If the warpage is greater than the maximum, replace the cylinder head.





INTAKE MANIFOLD
a. Install the intake manifold with the 9 bolts, 2 nuts and 2 washers. Uniformly tighten the bolts and nuts in the sequence shown in the illustration.
Torque: 15 Nm (153 kgf-cm, 11 ft. lbs.)
b. Retighten the water outlet mounting bolts and nuts.
Torque: 15 Nm (153 kgf-cm, 11 ft. lbs.)
c. Install the ground cable with the nut.
Torque: 8.4 Nm (86 kgf-cm, 74 inch lbs.)
d. Connect the heater inlet water hose.





EXHAUST MANIFOLD CONVERTER SUB-ASSY NO.2
a. Install a new gasket and the converter sub-assy No. 2 with the 7 nuts. Uniformly, tighten the 7 nuts in the sequence shown in the illustration.
Torque: 49 Nm (500 kgf-cm, 36 ft. lbs.)
b. Retighten nuts 1 and 2 as shown in the illustration.

CRANKSHAFT
a. Apply engine oil to the upper bearing and install the crankshaft on the cylinder block.





b. Examine the front marks and numbers and install the bearing caps on the cylinder block.
c. Apply a light coat of engine oil on the threads of the bearing cap bolts.
d. Temporarily install the 8 main bearing cap bolts to the inside positions.





e. Install the main bearing cap by hand using the inner bolt as a guide. Stop the main bearing cap is about 6 mm (0.23 inch) away from contacting with the block.





f. Using a plastic-faced hammer, lightly tap the bearing cap to ensure a proper fit.
g. Apply a light coat of engine oil on the threads of the main bearing cap bolts.





h. Uniformly install and tighten the 16 main bearing cap bolts in the sequence shown in the illustration.
Torque: 22 Nm (224 kgf-cm, 16 ft. lbs.)





i. Mark the front side of the bearing cap bolts with paint.
j. Retighten the bearing cap bolts by 90° in the same sequence as step (h).
k. Check that each painted mark is now at a 90° angle to the front.
l. Check that the crankshaft turns smoothly.





m. Install a new seal washer to the main bearing cap bolt
n. Uniformly install and tighten the 8 main bearing cap bolts in the sequence shown in the illustration.
Torque: 27 Nm (275 kgf-cm, 20 ft. lbs.)

HINT: Use the short bolt for the marked position (arrow).

PISTON SUB-ASSY W/CONNECTING ROD





a. Tighten the bolts in several steps by the specified torque.
Torque: 25 Nm (250 kgf-cm, 18 ft. lbs.)





b. Mark the front side of each connecting cap bolt with paint.
c. Retighten the cap bolts by 90° as shown in the illustration.

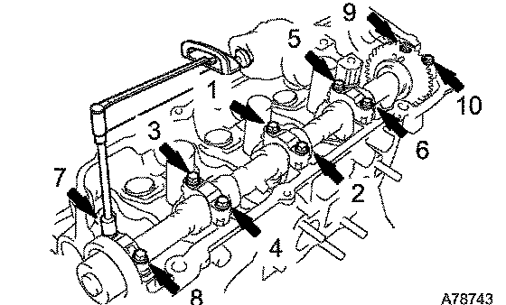
CAMSHAFTS








Camshaft (RH Bank)








Camshaft (LH Bank)

Uniformly tighten the 10 bearing cap bolts in the sequence shown in the illustration.
Torque: 16 Nm (163 kgf-cm, 12 ft. lbs.)






OIL PUMP
a. Engage the spline teeth of the oil pump drive gear with the large teeth of the crankshaft, and slide the oil pump on the crankshaft.
b. Install the oil pump with the 9 bolts. Uniformly tighten the bolts in several passes.
Torque:
10 mm head 8 Nm (82 kgf-cm, 71 inch lbs.)
12 mm head 20 Nm (199 kgf-cm, 14 ft. lbs.)
14 mm head 43 Nm (439 kgf-cm, 32 ft. lbs.)

WATER PUMP
a) Install a new gasket and the water pump with the 4 bolts and 2 nuts.
Torque: 8.0 Nm (82 kgf-cm, 71 inch lbs.)


CRANKSHAFT
Crankshaft pulley x Crankshaft 215 Nm (2,192 kgf-cm, 159 ft. lbs.)