FREE REPAIR MANUALS & LABOR GUIDES 1982-2013 Vehicles
Courtesy of Operation CHARM: Car repair manuals for everyone.

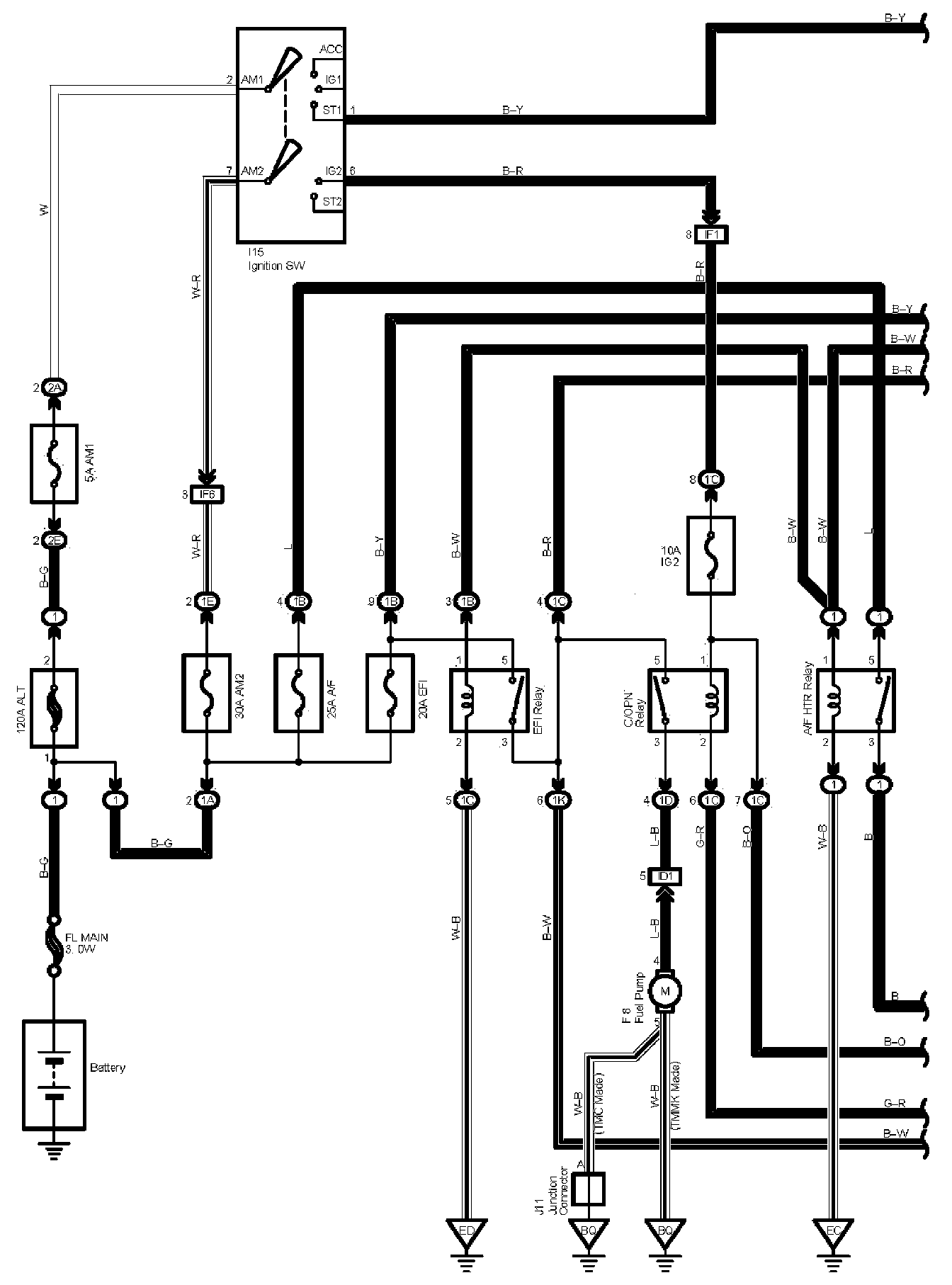
Engine Control Part 1

Engine Control Part 1:




Diagram Legend Part 1:




Diagram Legend Part 2:




Diagram Legend Part 3:






Next Diagram Engine Control Part 2


Locations: The locations of components, connectors, ground points, and splices referred to within these diagrams can be found at Vehicle Locations. Locations

Connector Views: The connector views for connectors referred to within these diagrams can be found at the Vehicle level Connector Views. Connector Views