FREE REPAIR MANUALS & LABOR GUIDES 1982-2013 Vehicles
Courtesy of Operation CHARM
:
Car repair manuals for everyone.
Home
>>
Toyota
>>
2003
>>
Matrix XR 2WD L4-1.8L (1ZZ-FE)
>>
Repair and Diagnosis
>>
Diagrams
>>
Exploded Views
>>
Engine
>>
System Diagram
>>
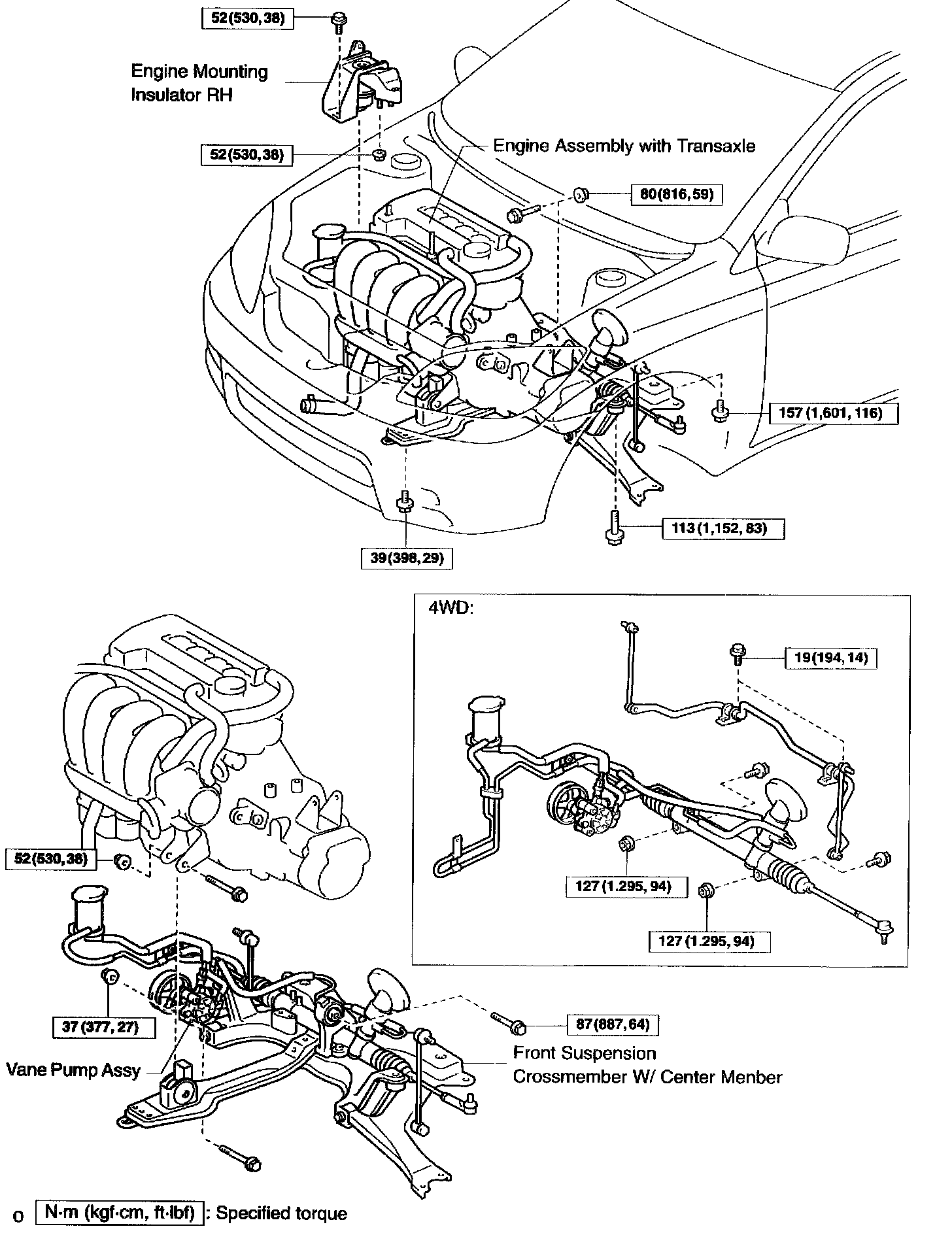
Partial Engine Assembly
Partial Engine Assembly
PARTIAL ENGINE ASSY REPLACEMENT W/ RELATED COMPONENTS