FREE REPAIR MANUALS & LABOR GUIDES 1982-2013 Vehicles
Courtesy of Operation CHARM
:
Car repair manuals for everyone.
Home
>>
Toyota
>>
2003
>>
Avalon V6-3.0L (1MZ-FE)
>>
Repair and Diagnosis
>>
Diagrams
>>
Exploded Views
>>
Variable Induction Check Valve
Variable Induction Check Valve
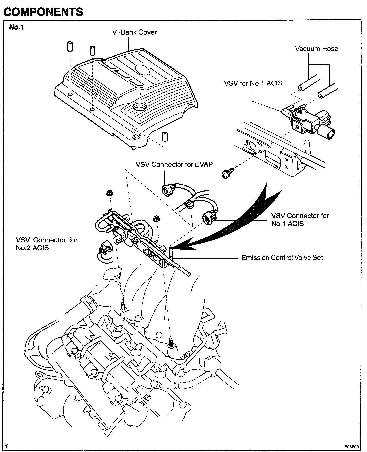
VSV For Acoustic Control Induction System (ACIS) Part 1:
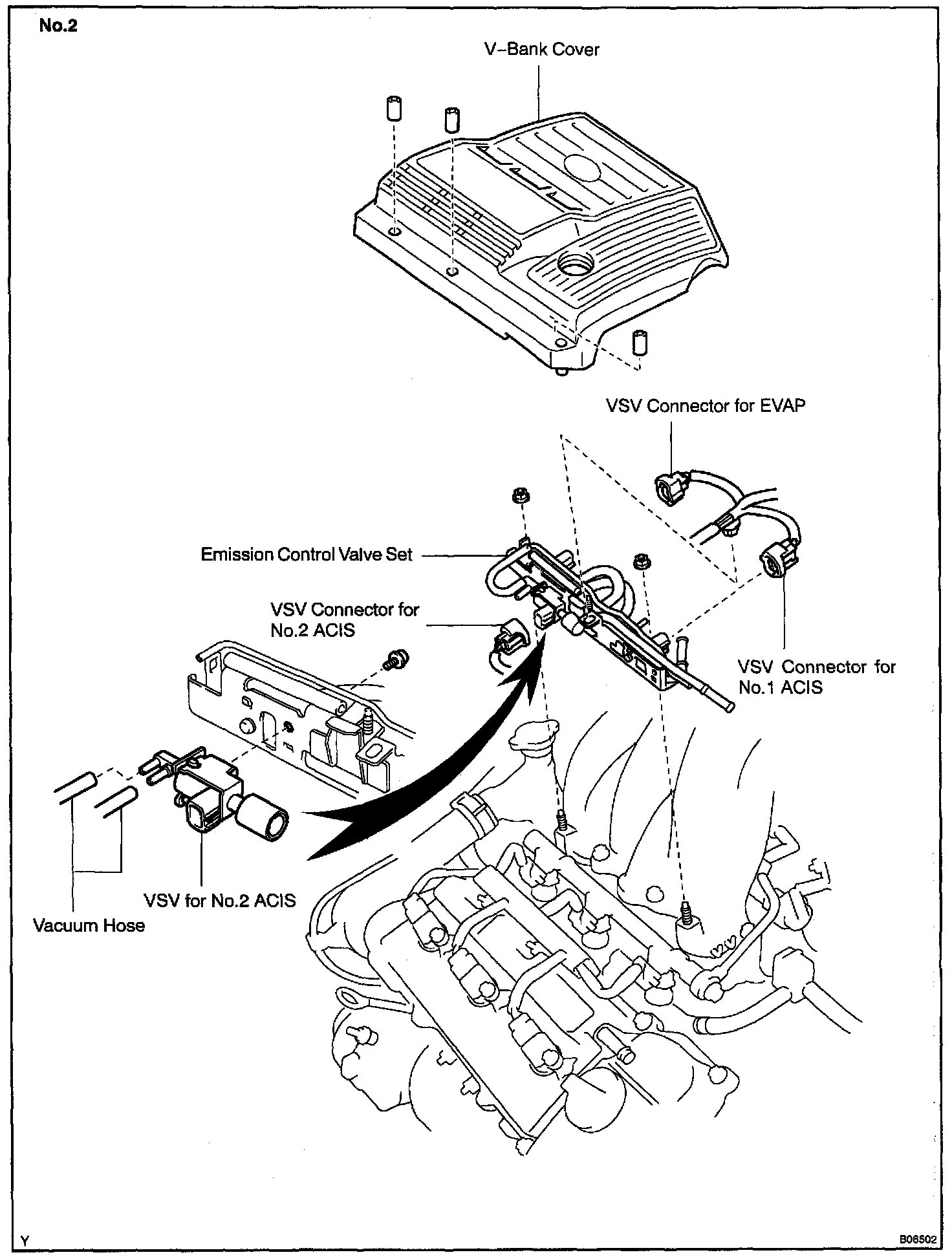
VSV For Acoustic Control Induction System (ACIS) Part 2: