FREE REPAIR MANUALS & LABOR GUIDES 1982-2013 Vehicles
Courtesy of Operation CHARM
:
Car repair manuals for everyone.
Home
>>
Toyota
>>
2002
>>
Echo L4-1.5L (1NZ-FE)
>>
Repair and Diagnosis
>>
Powertrain Management
>>
Computers and Control Systems
>>
Air Flow Meter/Sensor
>>
Locations
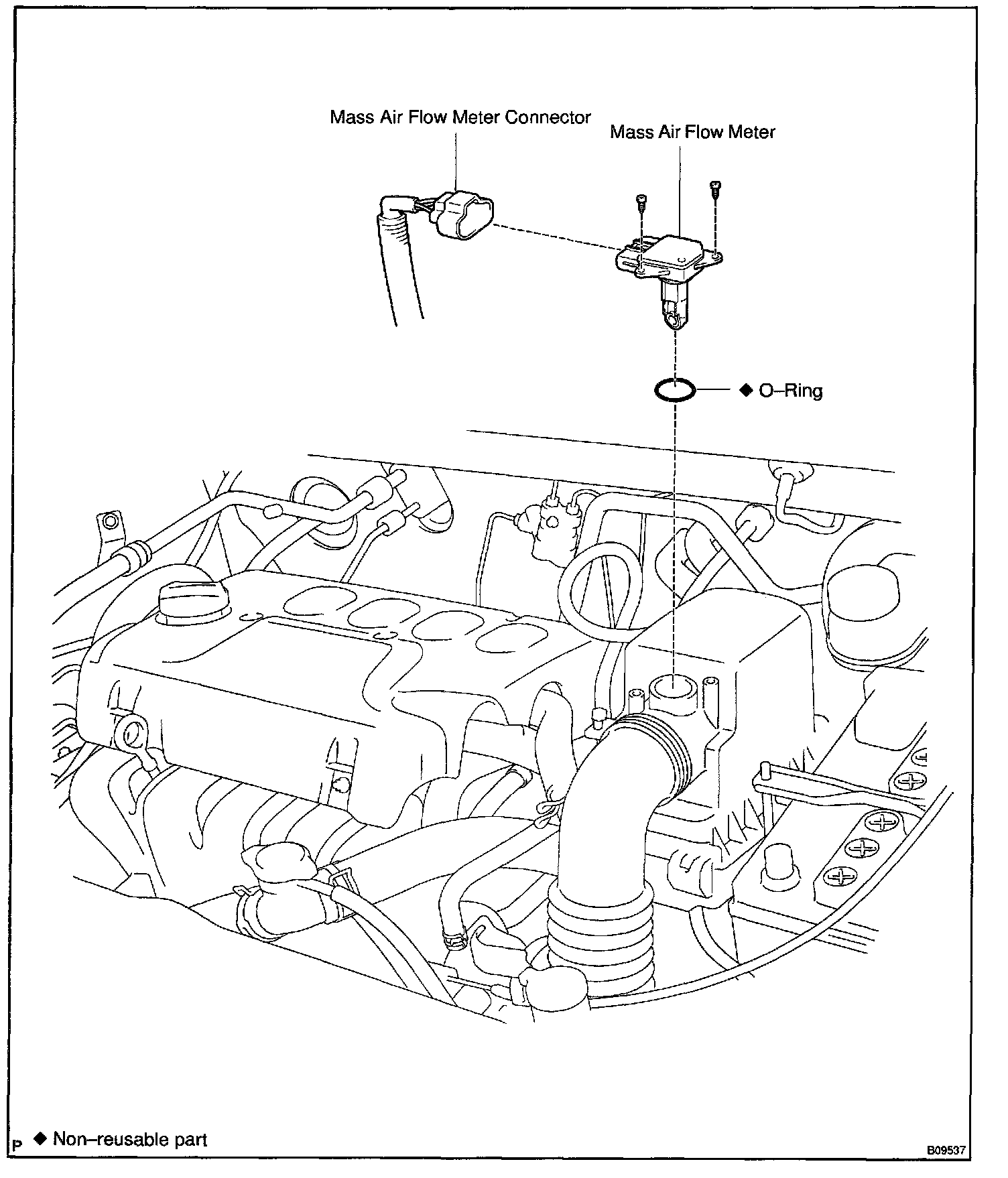
Air Flow Meter/Sensor: Locations
Mass Air Flow (MAF) Meter: