FREE REPAIR MANUALS & LABOR GUIDES 1982-2013 Vehicles
Courtesy of Operation CHARM
:
Car repair manuals for everyone.
Home
>>
Toyota
>>
2002
>>
Echo L4-1.5L (1NZ-FE)
>>
Repair and Diagnosis
>>
Diagrams
>>
Exploded Views
>>
Engine
>>
Timing Chain
Timing Chain
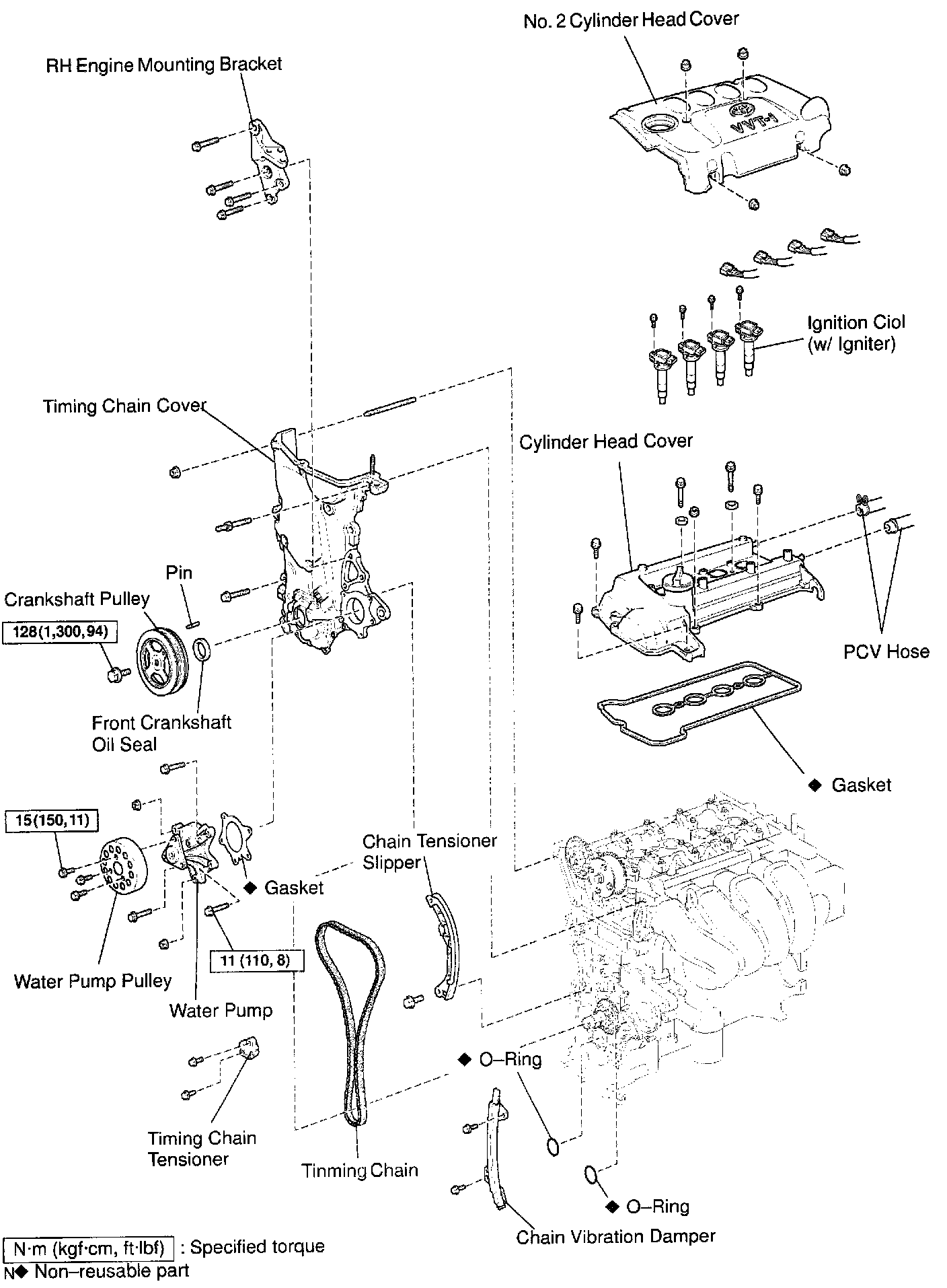
TIMING CHAIN
REPLACEMENT W/ RELATED COMPONENTS
Part 1 of 2
Part 2 of 2