FREE REPAIR MANUALS & LABOR GUIDES 1982-2013 Vehicles
Courtesy of Operation CHARM
:
Car repair manuals for everyone.
Home
>>
Toyota
>>
1999
>>
Avalon XL V6-3.0L (1MZ-FE)
>>
Repair and Diagnosis
>>
Diagrams
>>
Exploded Views
>>
Engine
>>
Cylinder Block Assembly
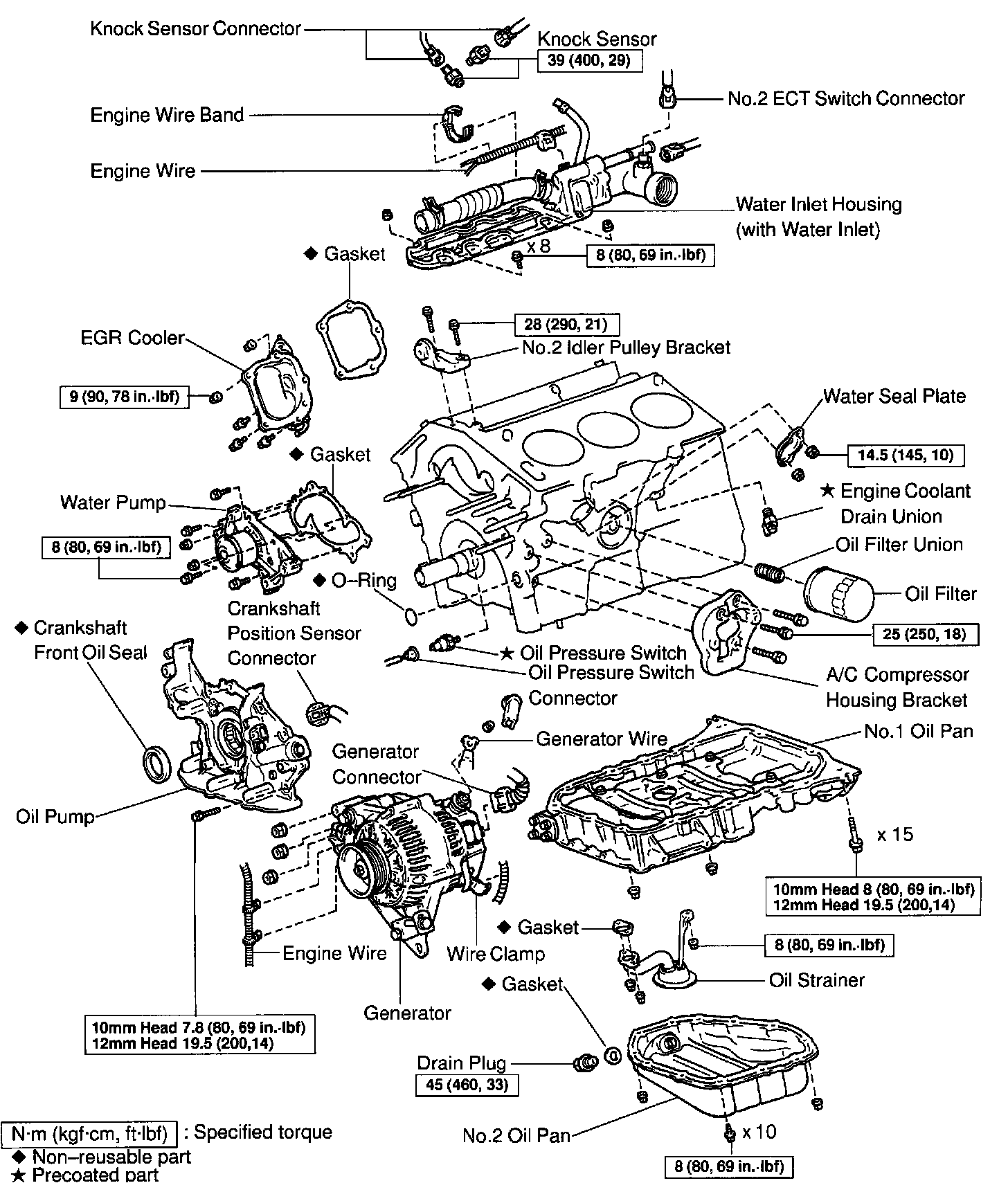
Cylinder Block Assembly
CYLINDER BLOCK OVERHAUL W/ RELATED COMPONENTS