FREE REPAIR MANUALS & LABOR GUIDES 1982-2013 Vehicles
Courtesy of Operation CHARM
:
Car repair manuals for everyone.
Home
>>
Toyota Truck
>>
1982
>>
Pickup 2WD L4-2188cc L,DSL
>>
Repair and Diagnosis
>>
Relays and Modules
>>
Relays and Modules - HVAC
>>
Control Module HVAC
>>
Locations
Control Module HVAC: Locations
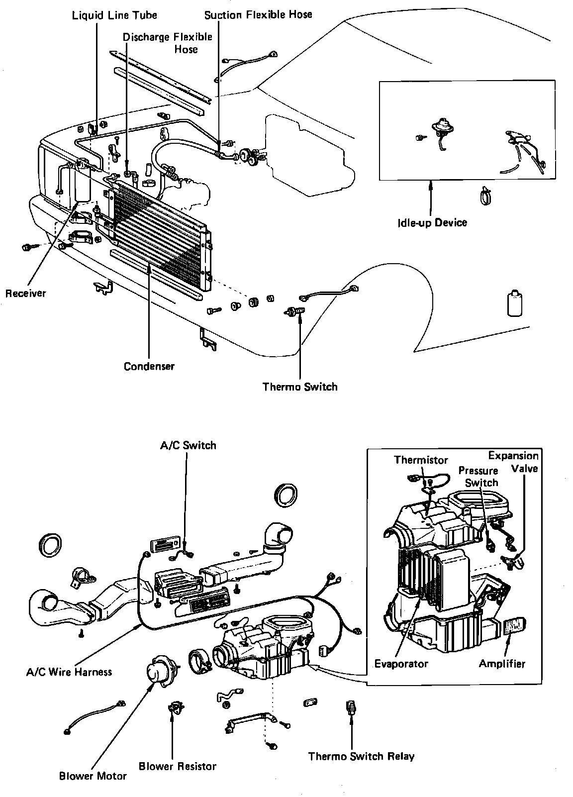
A/C System Component Location.:
Attached To Cooling Unit
Applicable to: 1982-83 Models