FREE REPAIR MANUALS & LABOR GUIDES 1982-2013 Vehicles
Courtesy of Operation CHARM
:
Car repair manuals for everyone.
Home
>>
Toyota Truck
>>
1982
>>
Pickup 2WD L4-2188cc L,DSL
>>
Repair and Diagnosis
>>
Powertrain Management
>>
Computers and Control Systems
>>
Relays and Modules - Computers and Control Systems
>>
Engine Control Module
>>
Locations
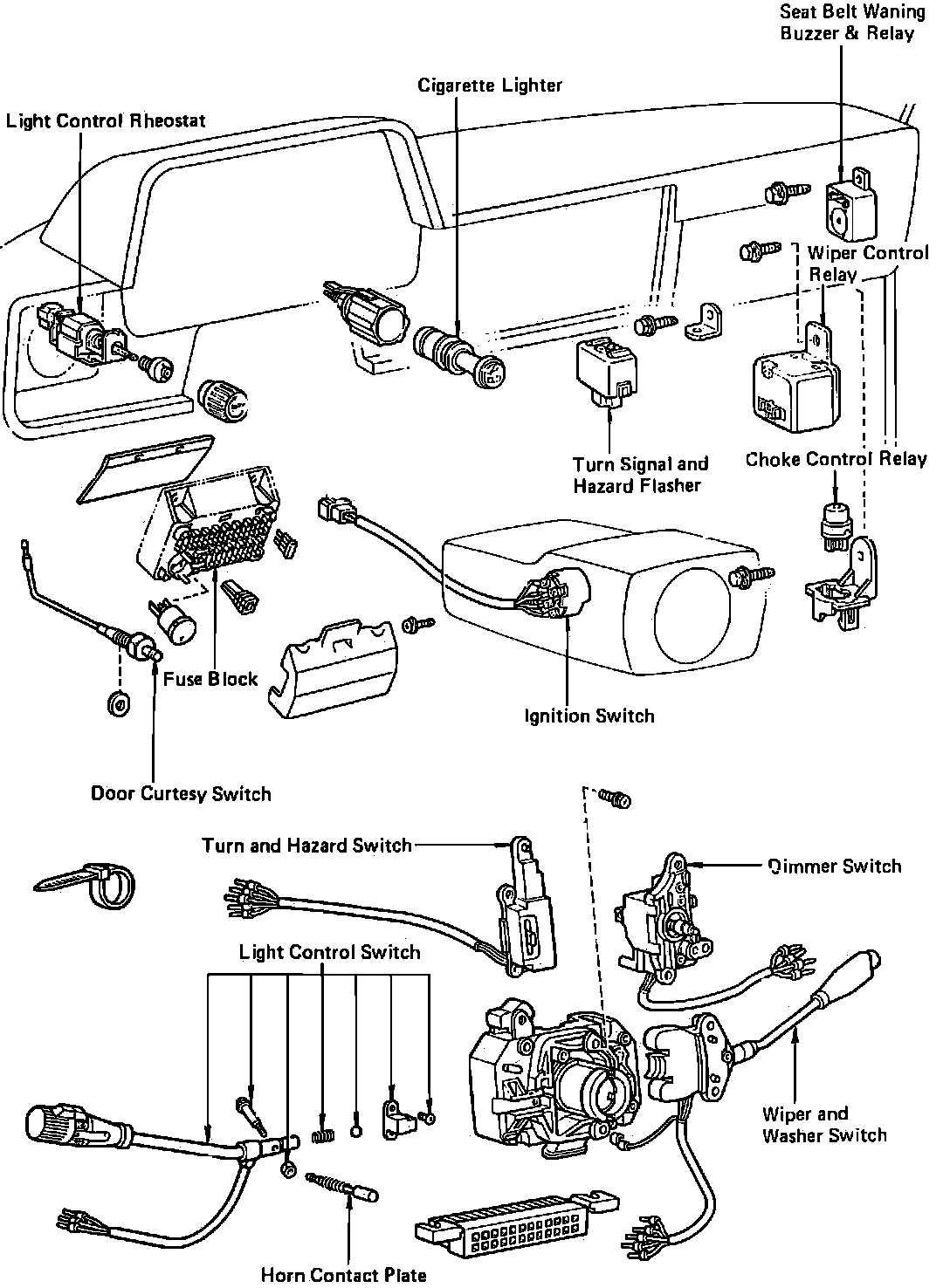
Engine Control Module: Locations
I/P & Steering Column Relay & Switch Locations (Part 1 Of 2).:
I/P & Steering Column Relay & Switch Locations (Part 1 Of 2).:
Behind LH Side Kick Panel
Applicable to: 1982-83 Models