FREE REPAIR MANUALS & LABOR GUIDES 1982-2013 Vehicles
Courtesy of Operation CHARM
:
Car repair manuals for everyone.
Home
>>
Subaru
>>
2012
>>
Tribeca F6-3.6L DOHC
>>
Repair and Diagnosis
>>
Powertrain Management
>>
Transmission Control Systems
>>
Diagrams
>>
Electrical Diagrams
>>
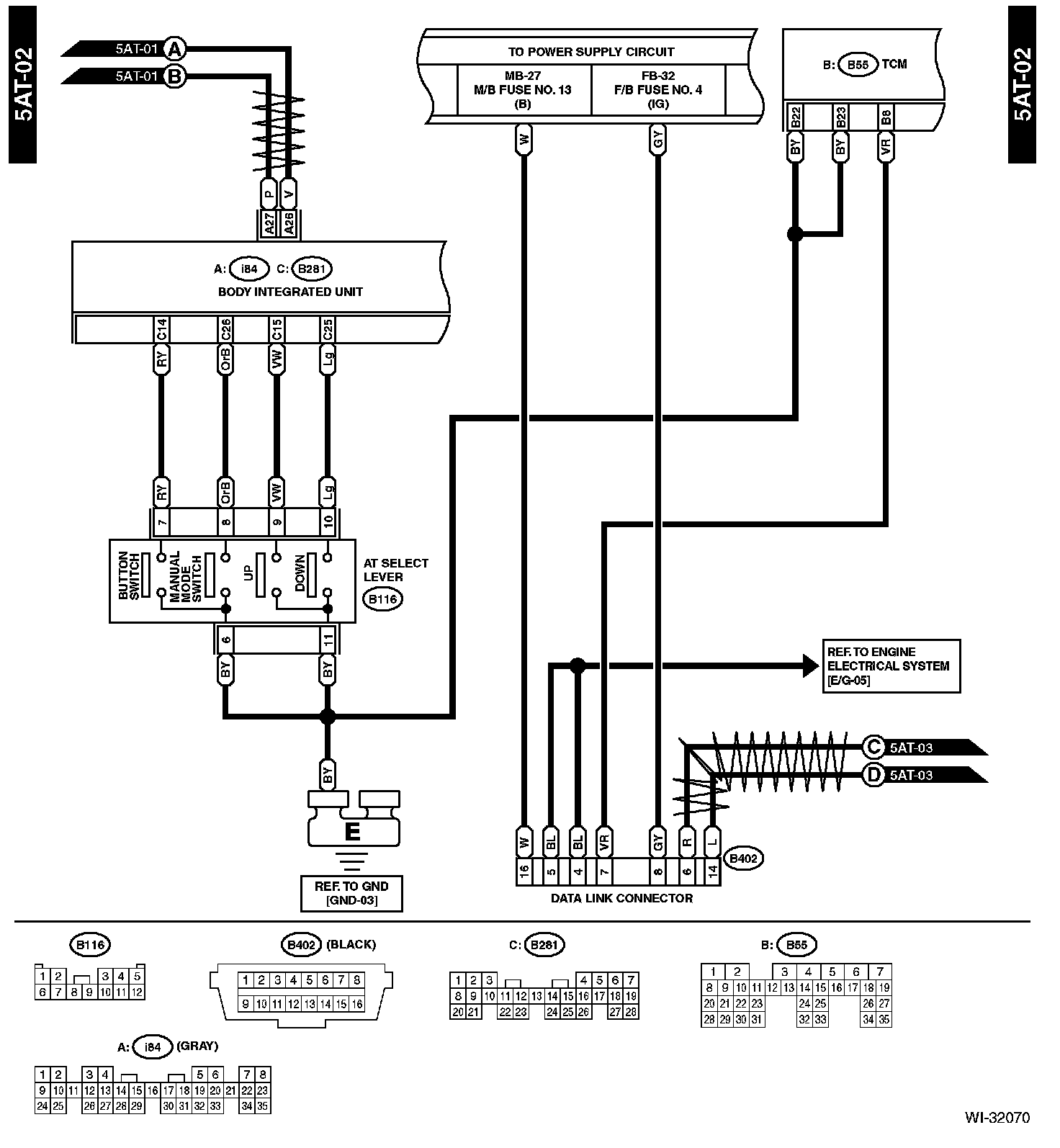
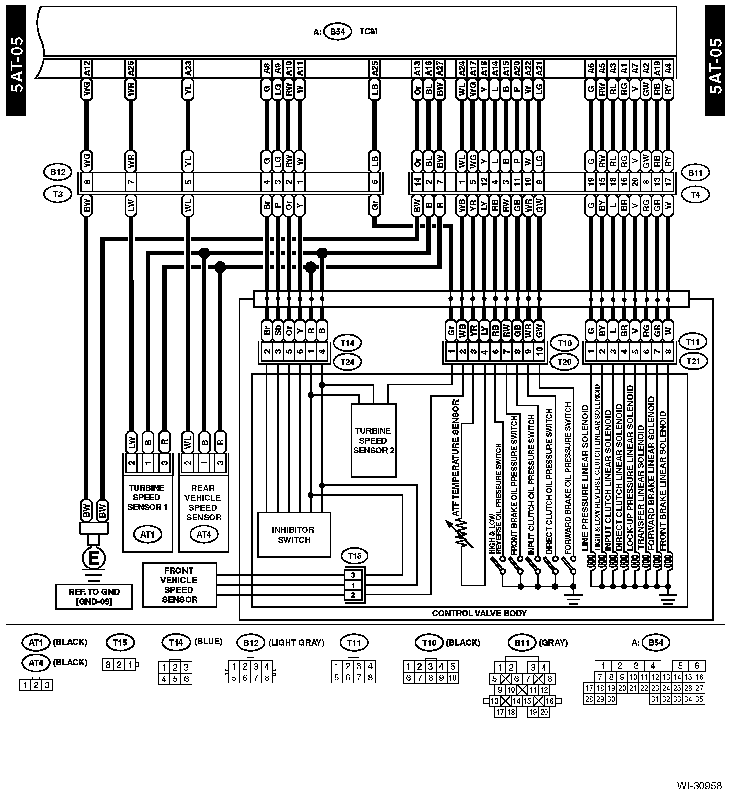
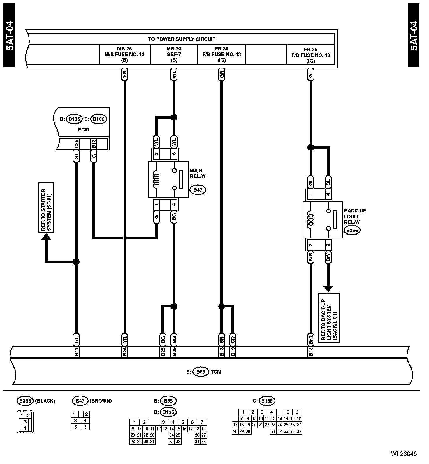
AT Control System
AT Control System
AT Control System
Connector and Ground Locations:
The locations of the Connectors or Grounds shown within these diagrams can be found via the connector or ground number at Vehicle Locations.
Locations