FREE REPAIR MANUALS & LABOR GUIDES 1982-2013 Vehicles
Courtesy of Operation CHARM: Car repair manuals for everyone.

Air Flow Meter/Sensor: Testing and Inspection

MASS AIR FLOW AND INTAKE AIR TEMPERATURE SENSOR

INSPECTION

1. CHECK THE MASS AIR FLOW SENSOR UNIT
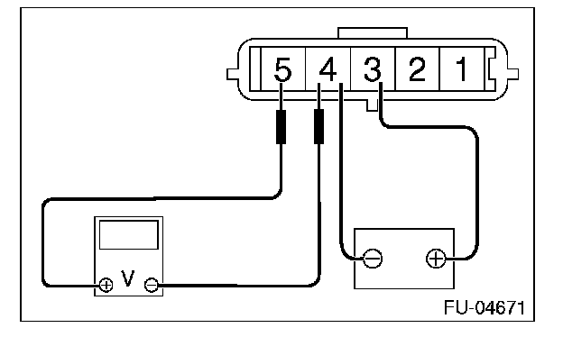
1. Connect the battery positive terminal to terminal No. 3 and the battery ground terminal to terminal No. 4, the circuit tester positive terminal to terminal No. 5 and the circuit tester ground terminal to terminal No. 4.






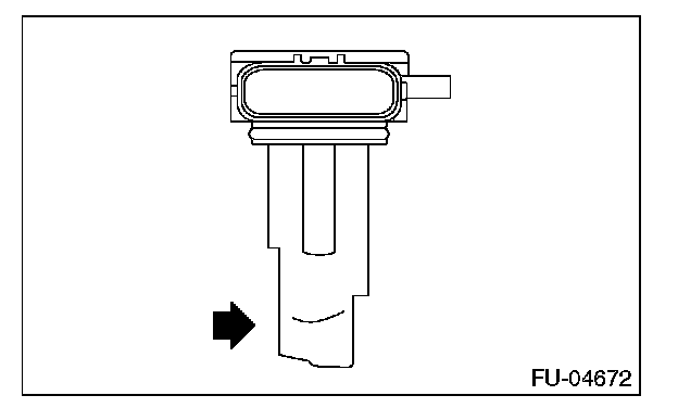
2. Check the voltage changes when air is blown to the mass air flow sensor unit in arrow direction.






2. CHECK THE INTAKE AIR TEMPERATURE SENSOR UNIT
Measure the resistance between intake air temperature sensor terminals.






3. OTHER INSPECTIONS
1. Check that the mass air flow and intake air temperature sensor has no deformation, cracks or other damages.
2. Check that the mass air flow and intake air temperature sensor has no dirt.