FREE REPAIR MANUALS & LABOR GUIDES 1982-2013 Vehicles
Courtesy of Operation CHARM: Car repair manuals for everyone.

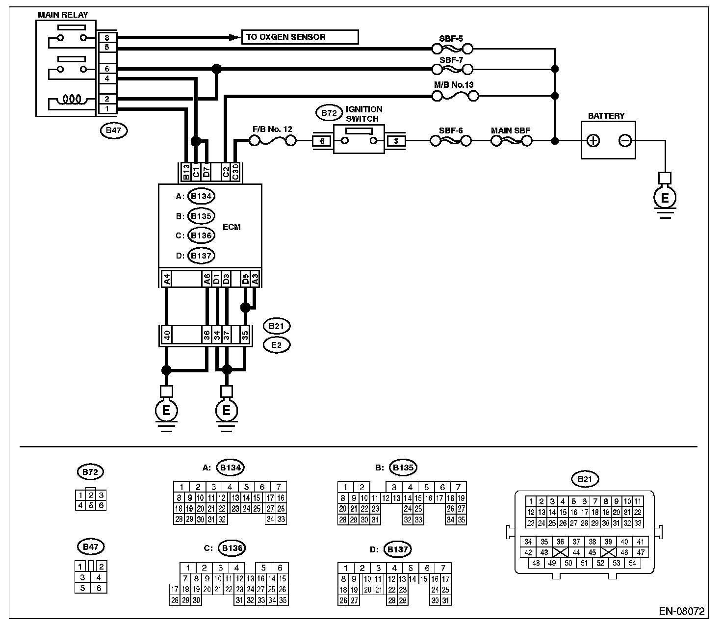
Check Power Supply And Ground Line Of Engine Control Module (ECM)

Diagnostics for Engine Starting Failure

CHECK POWER SUPPLY AND GROUND LINE OF ENGINE CONTROL MODULE (ECM)

CAUTION: After servicing or replacing faulty parts, perform Clear Memory Mode Clear Memory Mode, and Inspection Mode Inspection Mode.

WIRING DIAGRAM: