FREE REPAIR MANUALS & LABOR GUIDES 1982-2013 Vehicles
Courtesy of Operation CHARM
:
Car repair manuals for everyone.
Home
>>
Subaru
>>
2012
>>
Tribeca F6-3.6L DOHC
>>
Repair and Diagnosis
>>
Heating and Air Conditioning
>>
Diagrams
>>
Exploded Views
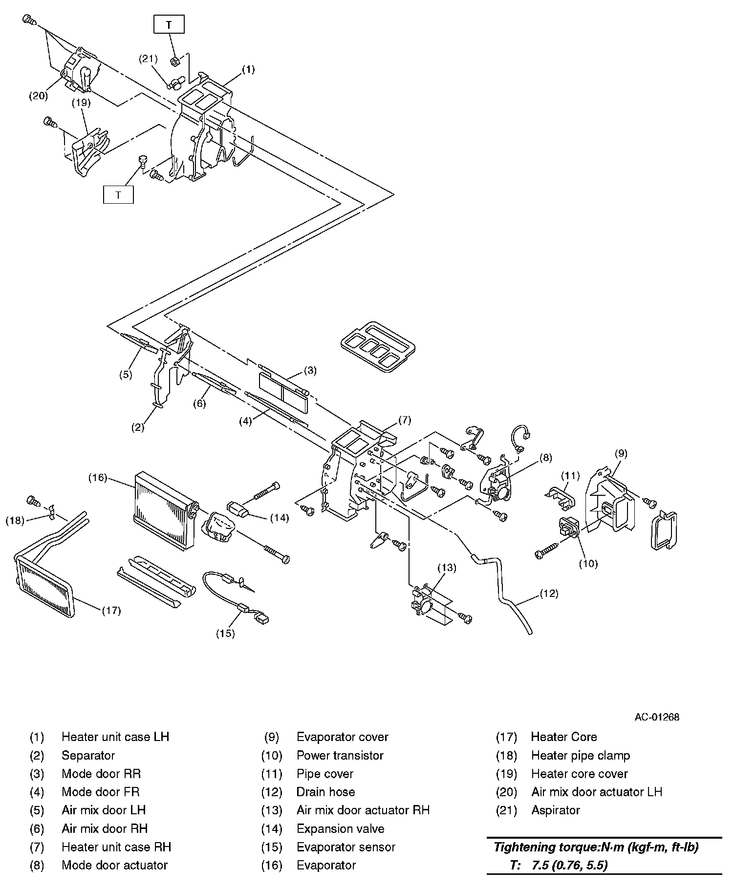
Exploded Views
General Description
COMPONENT
1.
HEATER COOLING UNIT
2.
BLOWER MOTOR
UNIT
3.
CONTROL PANEL
4.
AIR CONDITIONING UNIT
5.
COMPRESSOR
6.
HEATER DUCT