FREE REPAIR MANUALS & LABOR GUIDES 1982-2013 Vehicles
Courtesy of Operation CHARM
:
Car repair manuals for everyone.
Home
>>
Subaru
>>
2012
>>
Tribeca F6-3.6L DOHC
>>
Repair and Diagnosis
>>
Diagrams
>>
Exploded Views
>>
Coolant Line/Hose
Coolant Line/Hose
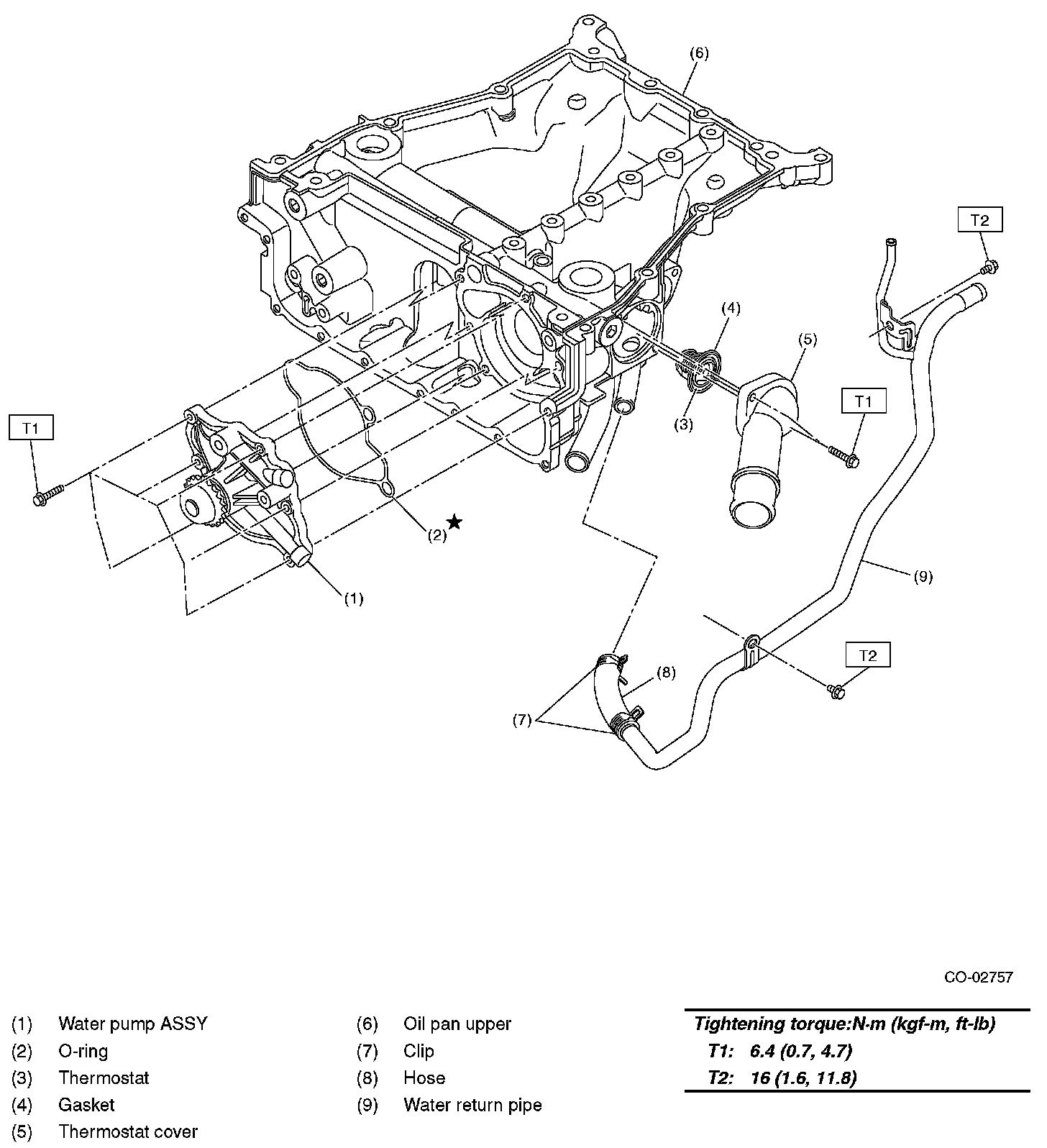
WATER PUMP & WATER PIPE