FREE REPAIR MANUALS & LABOR GUIDES 1982-2013 Vehicles
Courtesy of Operation CHARM
:
Car repair manuals for everyone.
Home
>>
Subaru
>>
2004
>>
Outback F4-2.5L SOHC
>>
Repair and Diagnosis
>>
Powertrain Management
>>
Computers and Control Systems
>>
Testing and Inspection
>>
Symptom Related Diagnostic Procedures
>>
Diagnostics For Engine Starting Failure
>>
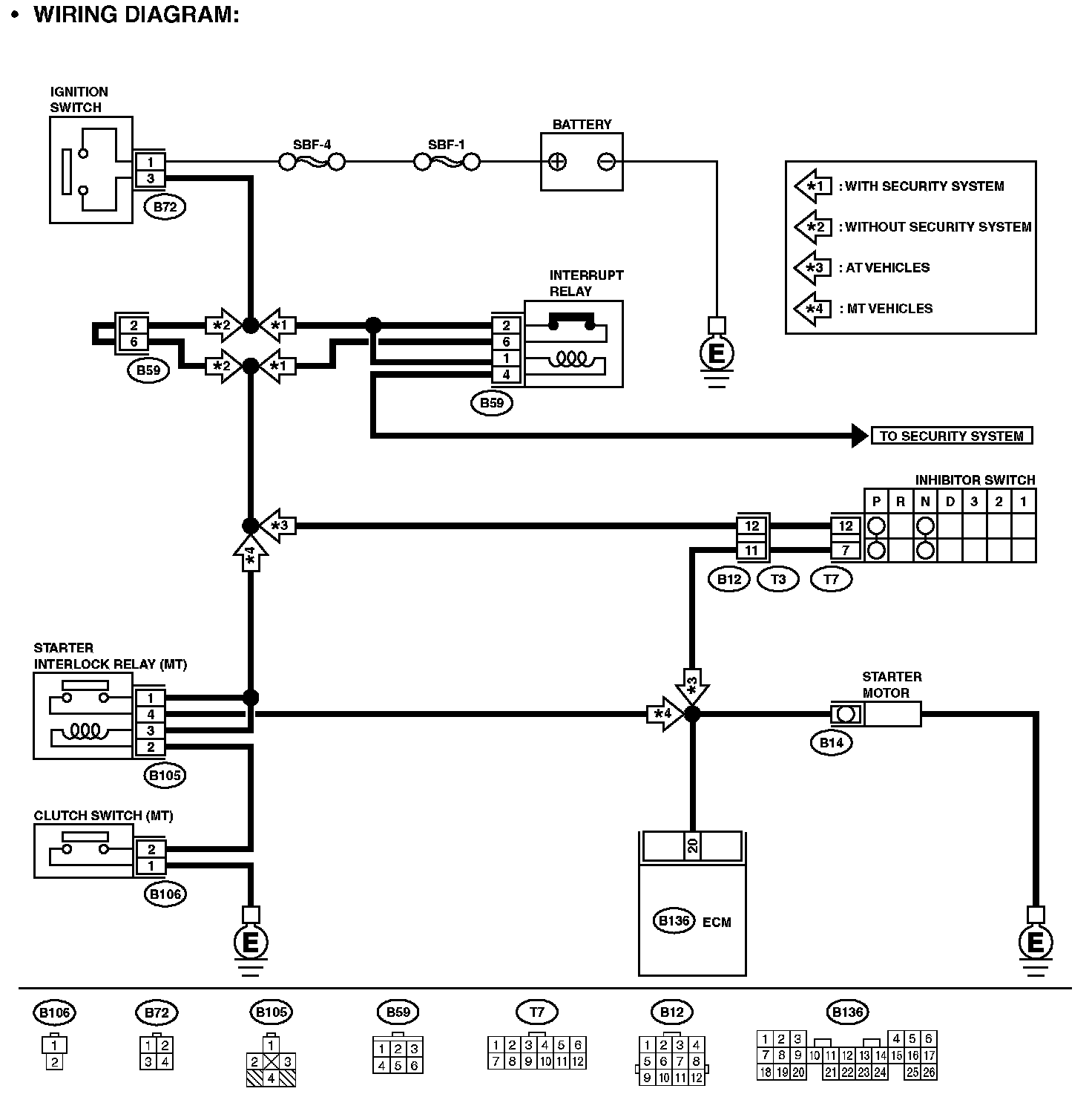
Starter Motor Circuit
Starter Motor Circuit
STARTER MOTOR CIRCUIT
CAUTION:
After repair or replacement of malfunctioning parts, conduct CLEAR MEMORY MODE and INSPECTION MODE.
Wiring Diagram:
Step 1 - 7:
Step 8 - 13:
Step 14: