System Specifications
SPECIFICATIONSNOTE: US: Undersize OS: Oversize
CYLINDER HEAD AND CAMSHAFT
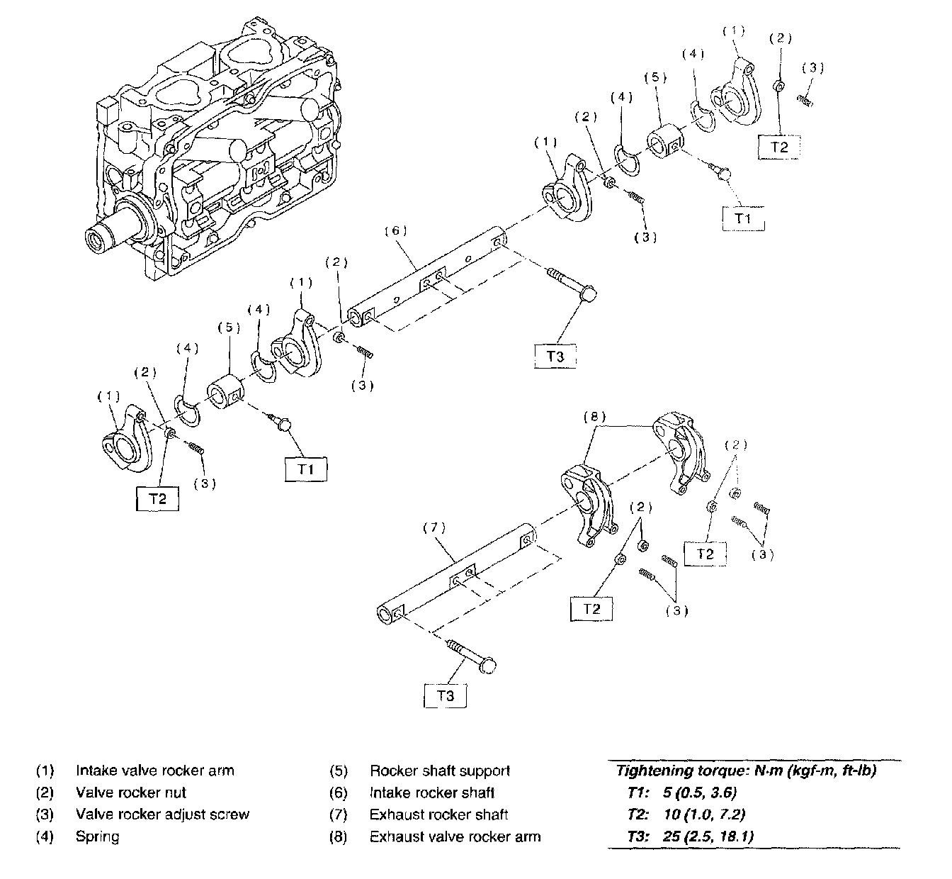
VALVE ROCKER ASSEMBLY
CYLINDER HEAD AND VALVE ASSEMBLY
Camshaft sprocket Bolt 78 Nm (8.0 kgf-m, 57.9 ft. lbs.)
Camshaft Cap Bolts
1) Apply liquid gasket on the around of camshaft cap.
NOTE: Apply a 3 mm (0.12 inch) diameter (A) bead of liquid gasket along edge (B) of the camshaft cap (C) mating surface.
2) Temporarily tighten bolts (g) through (j) in alphabetical sequence.
3) Install the valve rocker assembly.
4) Tighten bolts (a) through (h) in alphabetical sequence 25 Nm (2.5 kgf-m, 18.1 ft. lbs.)
5) Tighten the TORX bolts (i) through (n) in alphabetical sequence 18 Nm (1.8 kgf-m, 13.0 ft. lbs.)
6) Tighten bolts (o) through (v) in alphabetical sequence 10 Nm (1.0 kgf-m, 7.2 ft. lbs.)
7) Tighten bolts (w) through (x) in alphabetical sequence 10 Nm (1.0 kgf-m, 7.2 ft. lbs.)