FREE REPAIR MANUALS & LABOR GUIDES 1982-2013 Vehicles
Courtesy of Operation CHARM
:
Car repair manuals for everyone.
Home
>>
Subaru
>>
2004
>>
Impreza F4-2.5L SOHC
>>
Repair and Diagnosis
>>
Powertrain Management
>>
Transmission Control Systems
>>
Testing and Inspection
>>
Initial Inspection and Diagnostic Overview
>>
Automatic Transmission 4AT
>>
Non-Trouble Code Procedures
>>
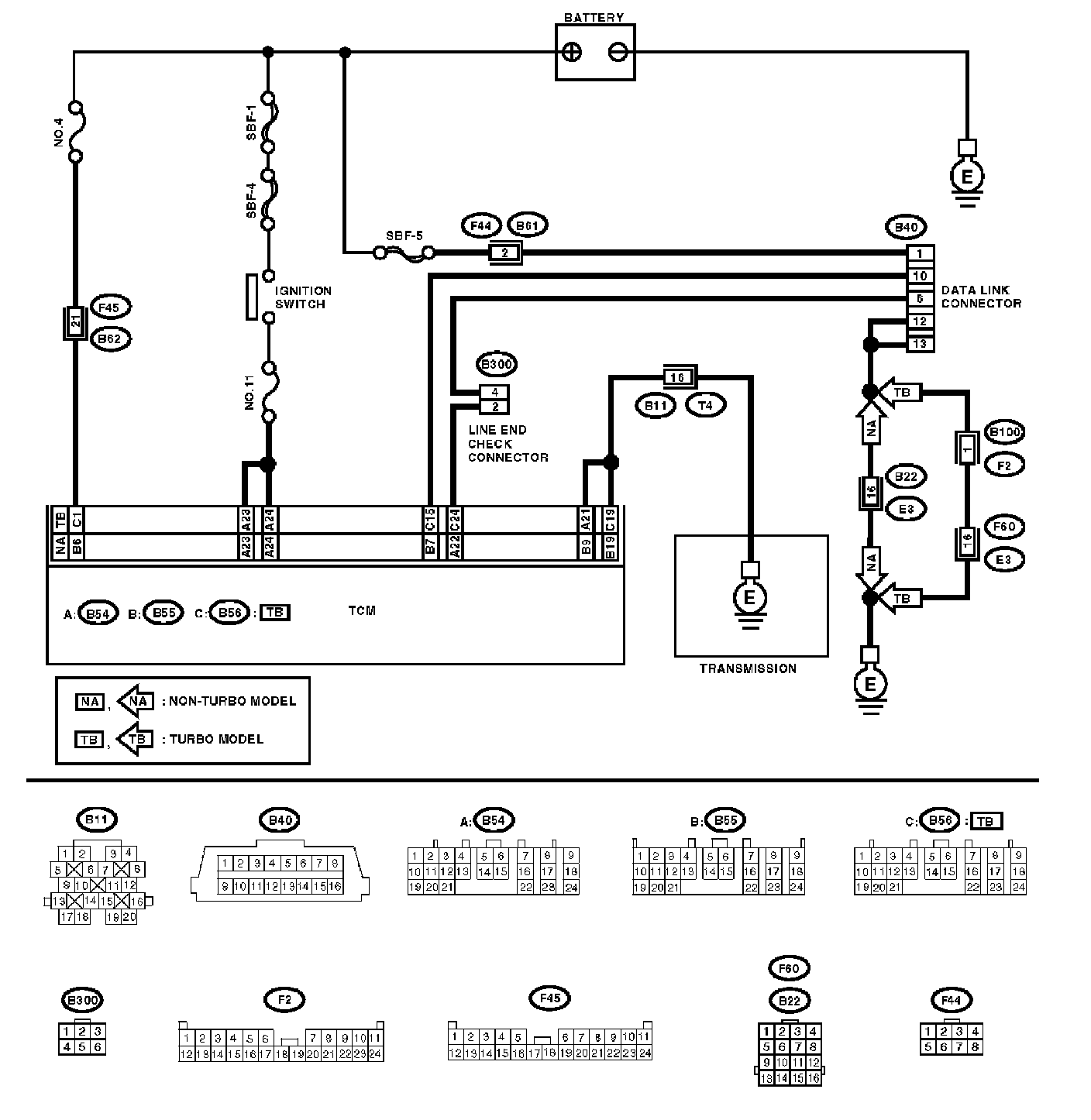
Diagnostic Procedure For Select Monitor Communication
Diagnostic Procedure For Select Monitor Communication
COMMUNICATION FOR INITIALIZING IMPOSSIBLE
Steps 1-7:
Steps 8-11:
DIAGNOSIS:
^
Faulty harness connector
TROUBLE SYMPTOM:
^
Select monitor communication failure
WIRING DIAGRAM