FREE REPAIR MANUALS & LABOR GUIDES 1982-2013 Vehicles
Courtesy of Operation CHARM
:
Car repair manuals for everyone.
Home
>>
Subaru
>>
2004
>>
Forester F4-2.5L SOHC
>>
Repair and Diagnosis
>>
Powertrain Management
>>
Transmission Control Systems
>>
Testing and Inspection
>>
Component Tests and General Diagnostics
>>
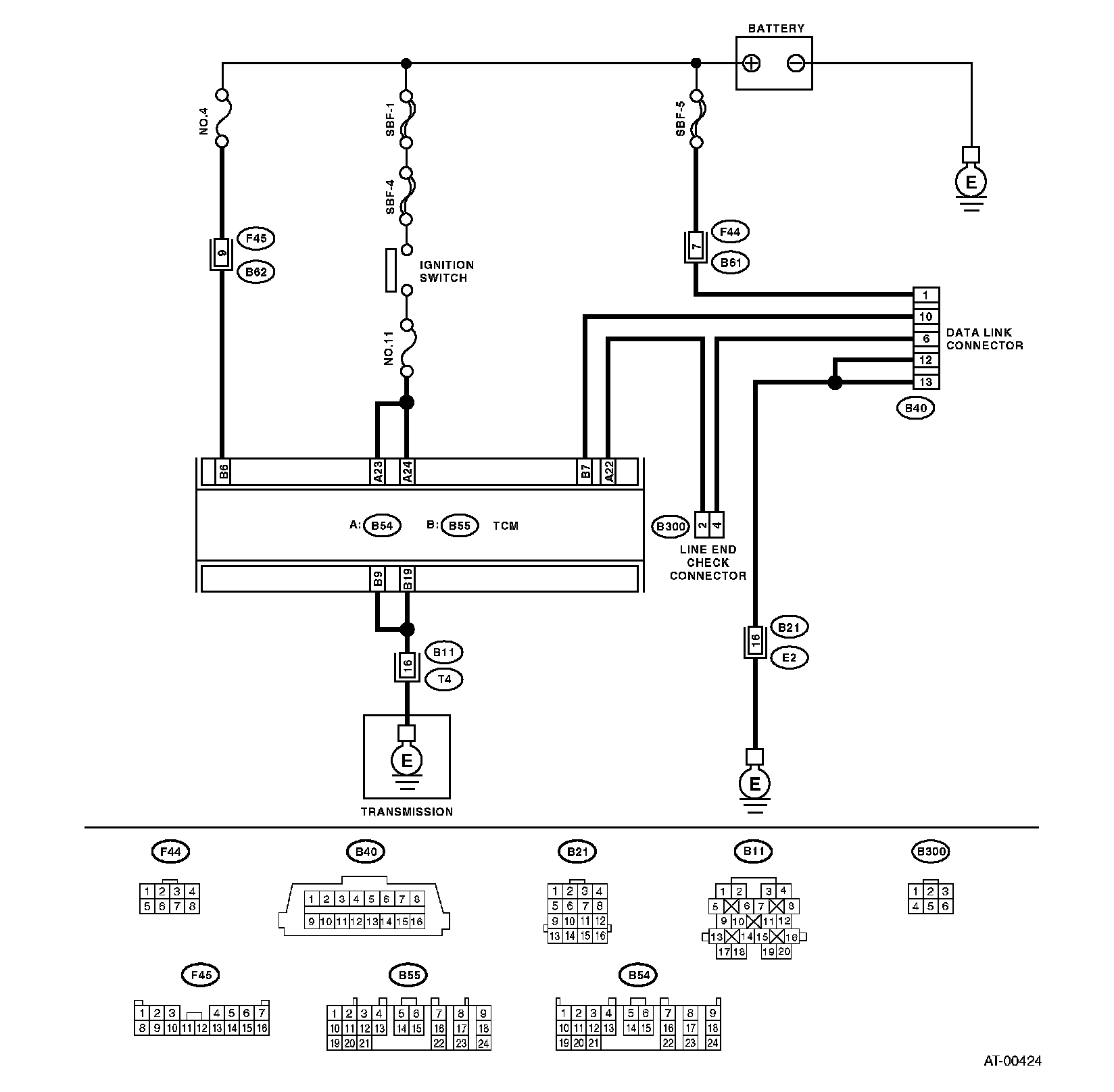
Diagnostic Procedure For Select Monitor Communication
Diagnostic Procedure For Select Monitor Communication
COMMUNICATION FOR INITIALIZING IMPOSSIBLE
Steps 1-8:
Steps 9-11:
DIAGNOSIS:
Faulty harness connector
TROUBLE SYMPTOM:
Select Monitor communication failure
WIRING DIAGRAM