FREE REPAIR MANUALS & LABOR GUIDES 1982-2013 Vehicles
Courtesy of Operation CHARM: Car repair manuals for everyone.

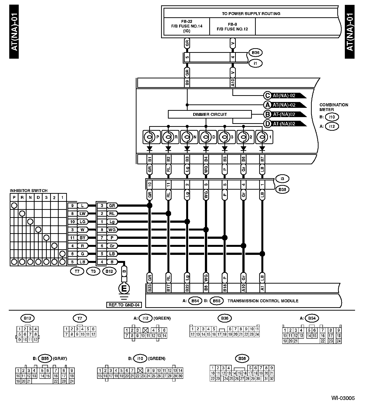
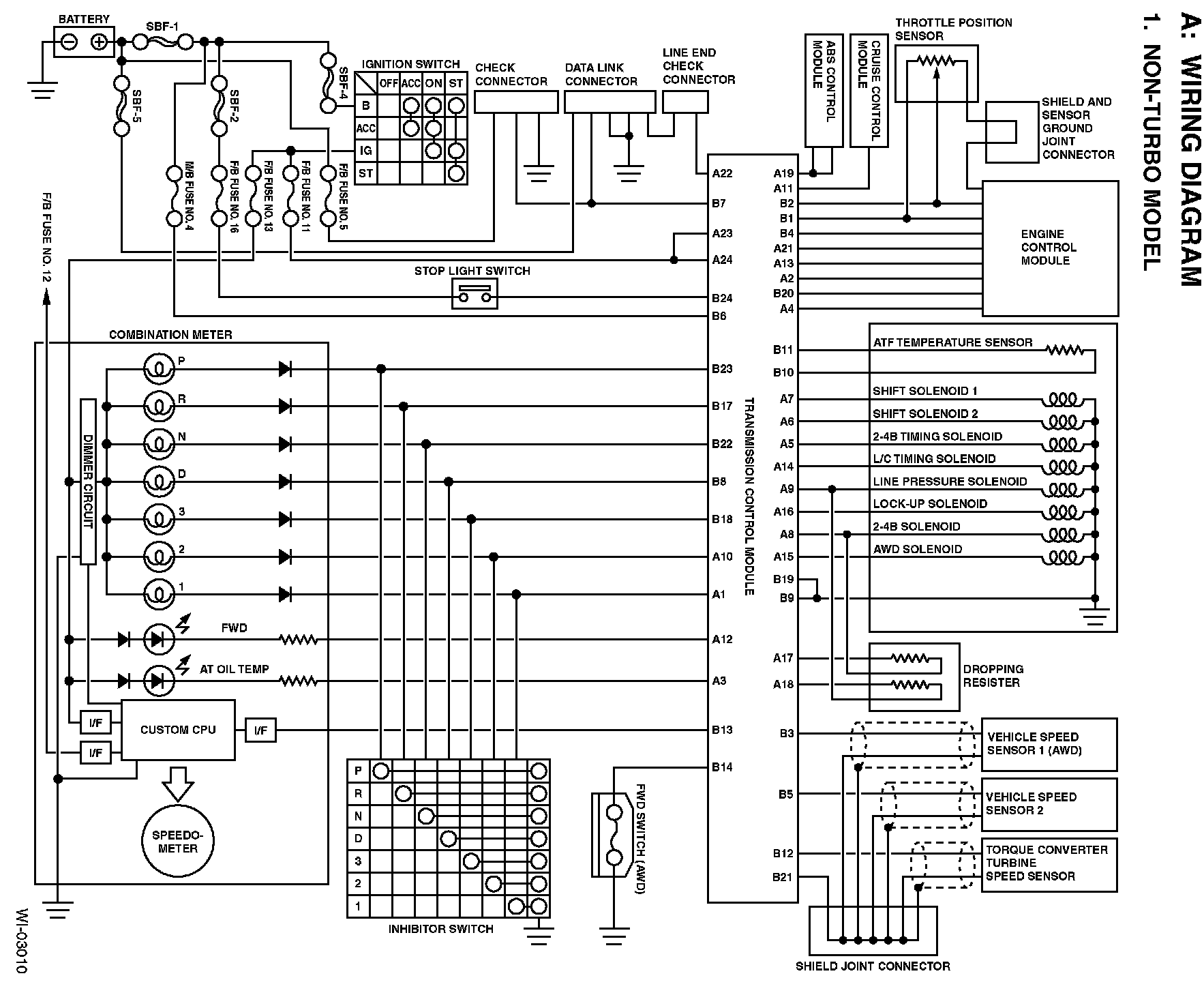
Non-Turbo Model

Non-Turbo Model:






AT(NA)-01:






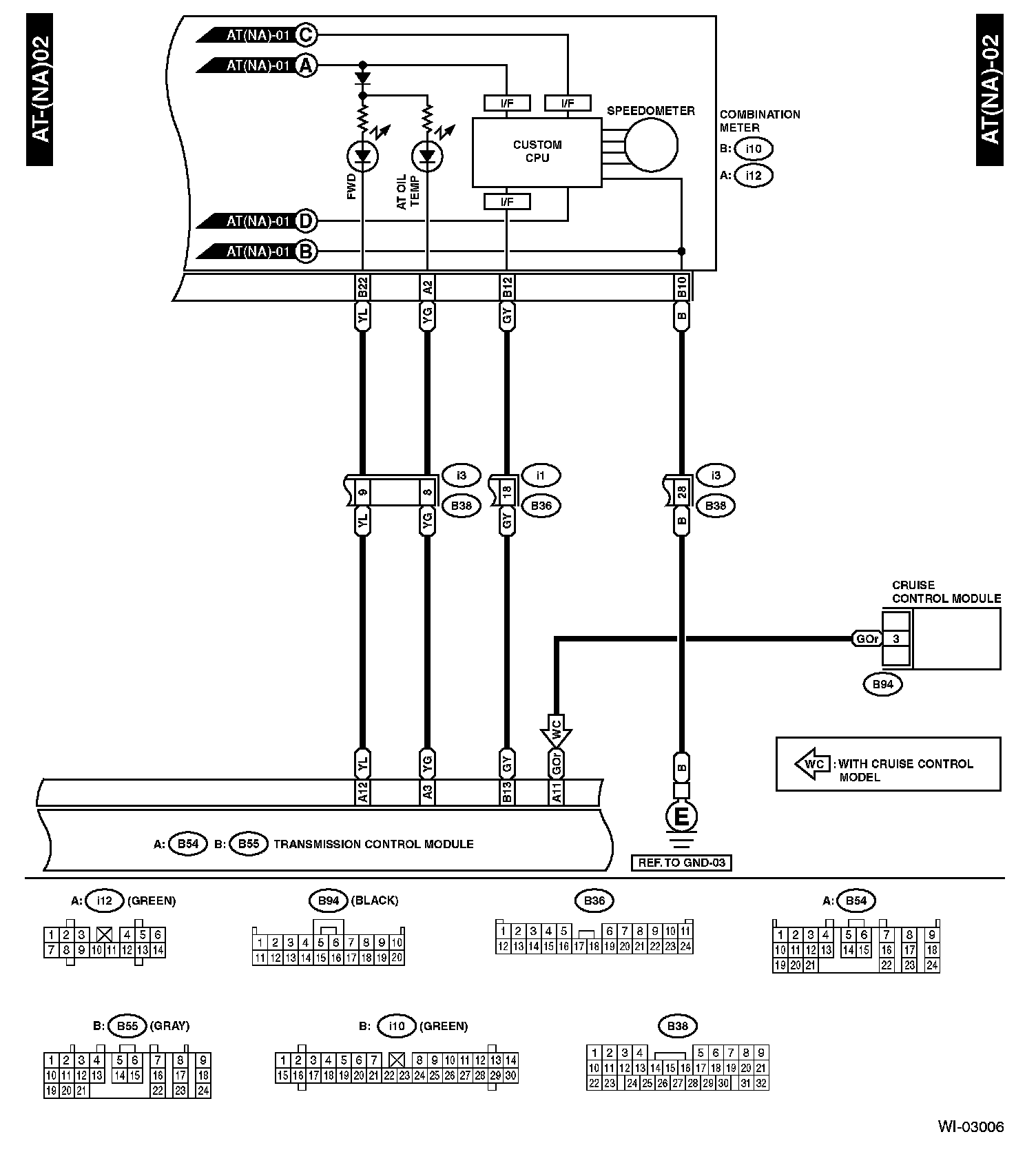
AT(NA)-02:






AT(NA)-03:






AT(NA)-04:






AT(NA)-05:






Diagrams: Other diagrams referred to by name within these diagrams (i.e. "REF. TO GND-01", etc) can be found at Diagrams by Diagram Name. Diagrams By Diagram Name