FREE REPAIR MANUALS & LABOR GUIDES 1982-2013 Vehicles
Courtesy of Operation CHARM
:
Car repair manuals for everyone.
Home
>>
Subaru
>>
2004
>>
Forester F4-2.5L DOHC Turbo
>>
Repair and Diagnosis
>>
Powertrain Management
>>
Transmission Control Systems
>>
Testing and Inspection
>>
Component Tests and General Diagnostics
>>
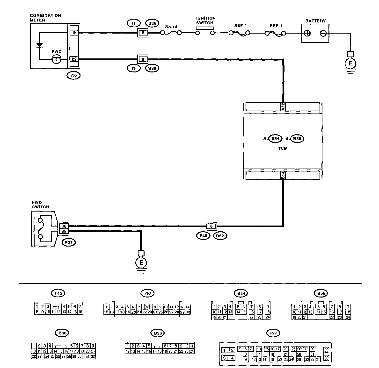
Check FWD Switch
Check FWD Switch
CHECK FWD SWITCH
DIAGNOSIS:
^
The LED does not come on even if FWD switch is ON.
^
The FWD switch circuit is open or short.
WIRING DIAGRAM:
Test 1 Of 2:
Test 2 Of 2: