FREE REPAIR MANUALS & LABOR GUIDES 1982-2013 Vehicles
Courtesy of Operation CHARM
:
Car repair manuals for everyone.
Home
>>
Subaru
>>
2004
>>
Baja F4-2.5L SOHC
>>
Repair and Diagnosis
>>
Specifications
>>
Mechanical Specifications
>>
Manual Transmission/Transaxle
>>
Torque Data
Torque Data
COMPONENT
TRANSMISSION CASE
^
Transmission case tightening torque
DRIVE PINION ASSEMBLY
MAIN SHAFT
ASSEMBLY
SHIFTER FORK AND SHIFTER ROD
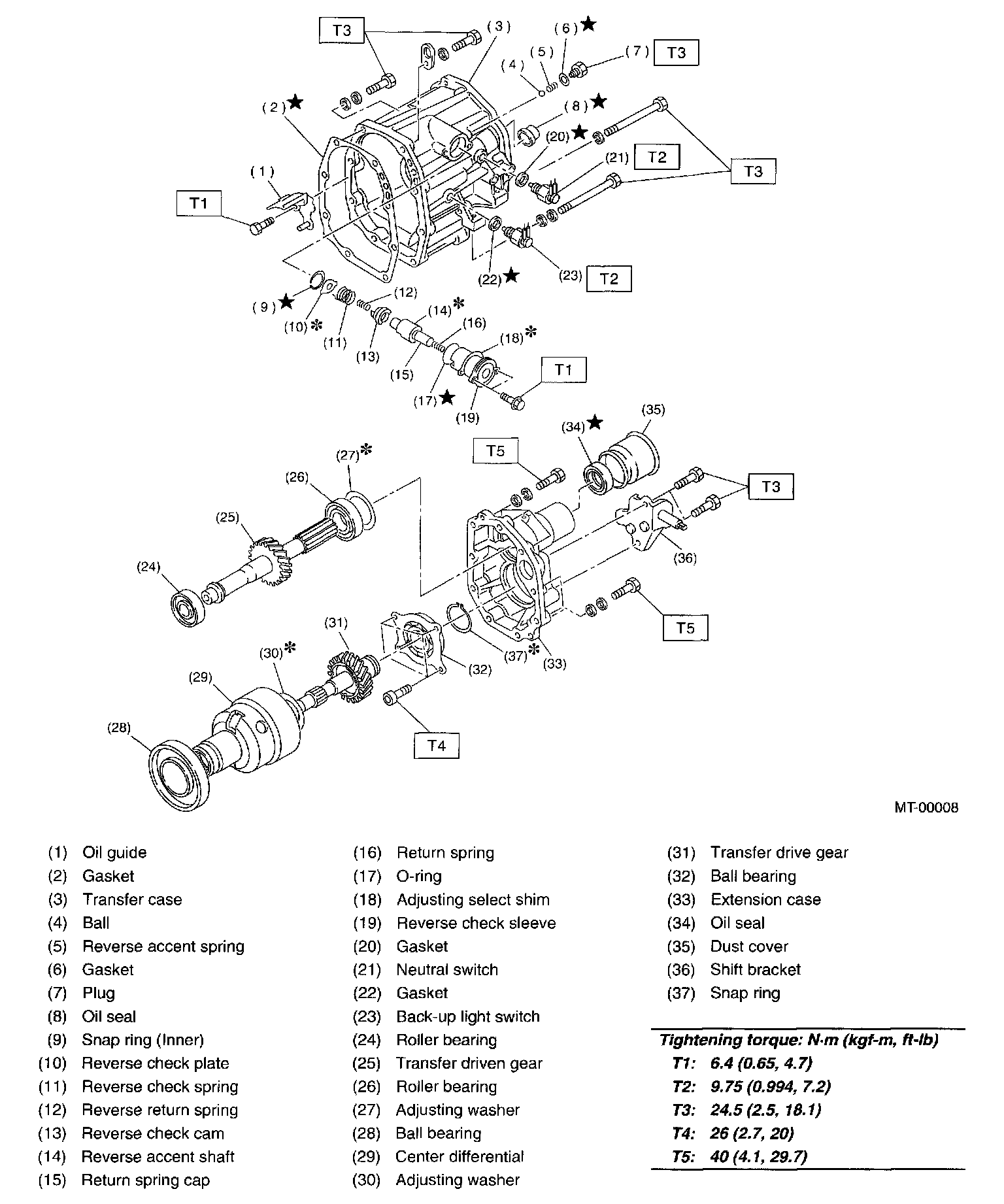
TRANSFER CASE
AND EXTENSION
FRONT DIFFERENTIAL