Diagnostic Procedure For Select Monitor Communication
Diagnostic Procedure for Select Monitor CommunicationCOMMUNICATION FOR INITIALIZING IMPOSSIBLE
Steps 1-7:
Steps 8-11:
DIAGNOSIS:
^ Faulty harness connector
TROUBLE SYMPTOM:
^ Select monitor communication failure
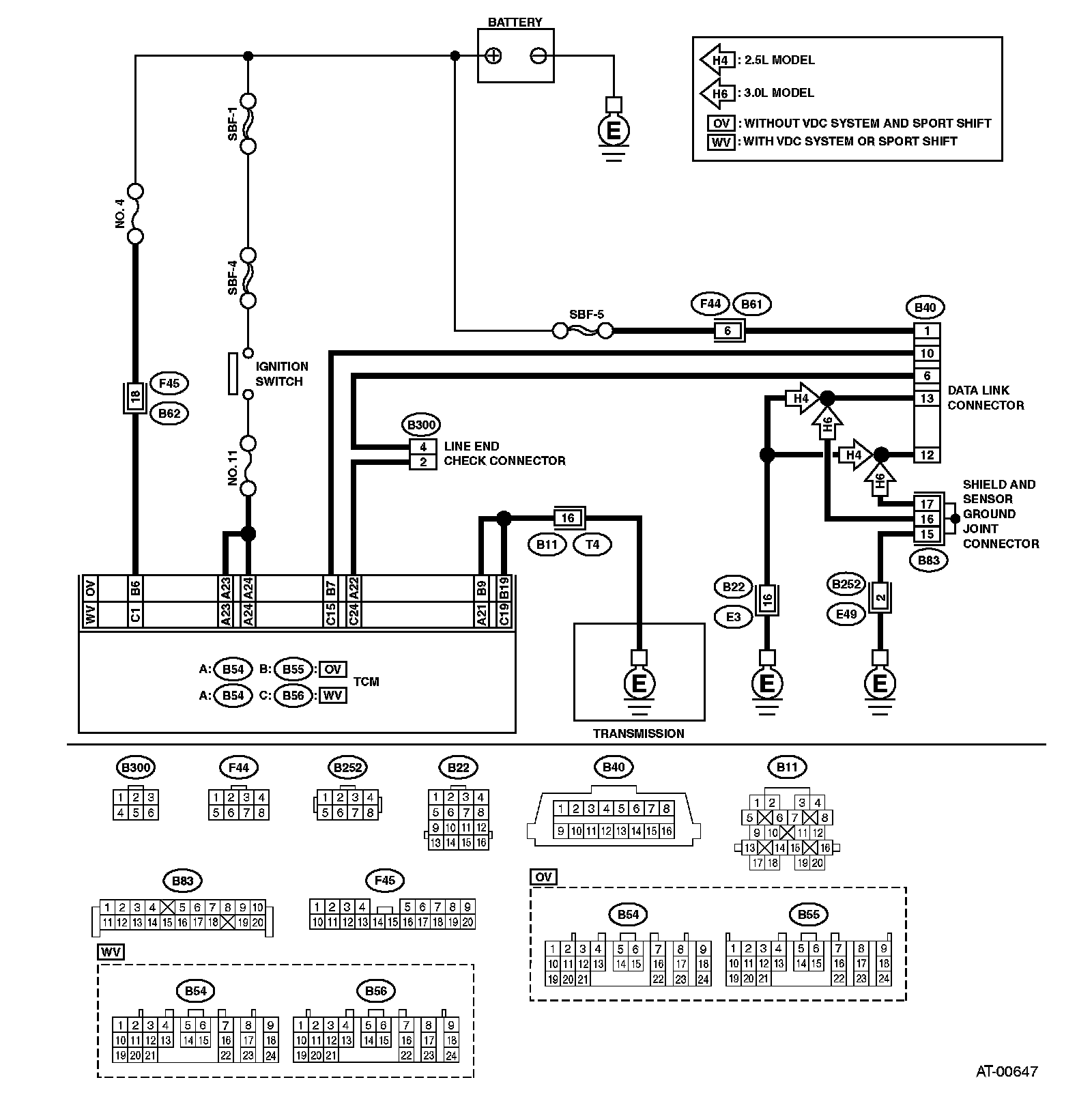
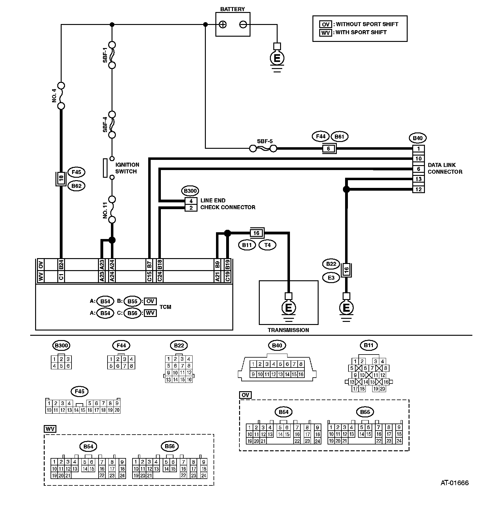
WIRING DIAGRAM
^ Except U5 model
^ U5 model