FREE REPAIR MANUALS & LABOR GUIDES 1982-2013 Vehicles
Courtesy of Operation CHARM
:
Car repair manuals for everyone.
Home
>>
Subaru
>>
2004
>>
Baja F4-2.5L SOHC
>>
Repair and Diagnosis
>>
Diagrams
>>
Exploded Views
>>
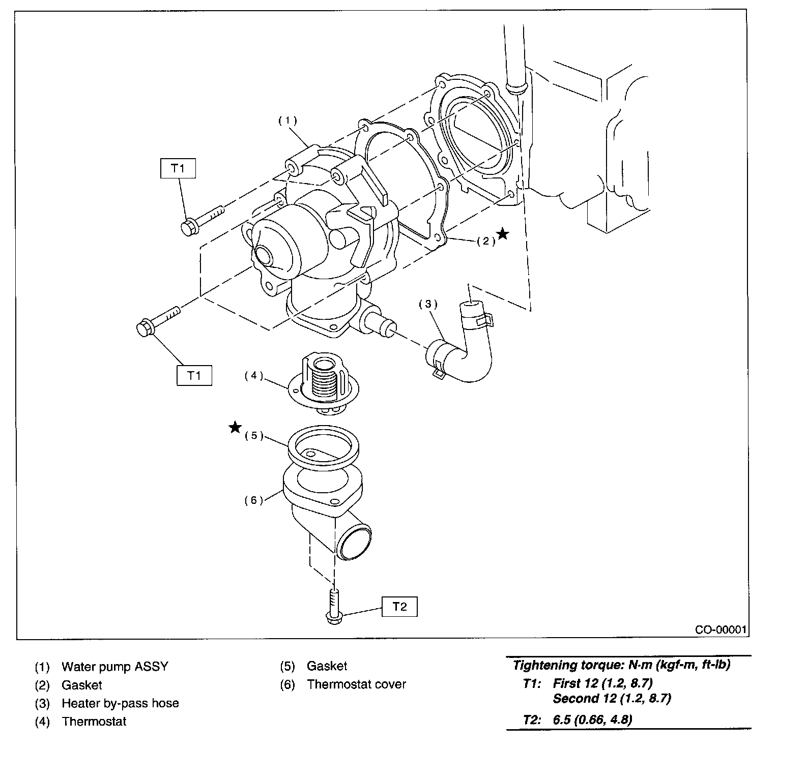
Water Pump
Water Pump
WATER PUMP