FREE REPAIR MANUALS & LABOR GUIDES 1982-2013 Vehicles
Courtesy of Operation CHARM
:
Car repair manuals for everyone.
Home
>>
Subaru
>>
2003
>>
Impreza WRX F4-2.0L DOHC Turbo
>>
Repair and Diagnosis
>>
Powertrain Management
>>
Computers and Control Systems
>>
Testing and Inspection
>>
Symptom Related Diagnostic Procedures
>>
Diagnostics For Engine Starting Failure
>>
Ignition Control System
Ignition Control System
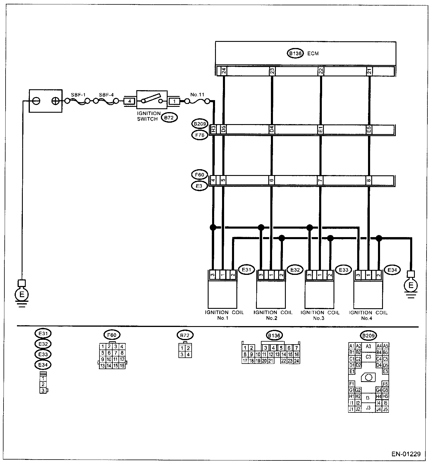
IGNITION CONTROL SYSTEM
CAUTION:
After repair or replacement of faulty parts, conduct CLEAR MEMORY MODE and INSPECTION MODE.
Wiring Diagram:
WIRING DIAGRAM:
Step 1 - 4:
Step 5 - 7: