FREE REPAIR MANUALS & LABOR GUIDES 1982-2013 Vehicles
Courtesy of Operation CHARM
:
Car repair manuals for everyone.
Home
>>
Subaru
>>
2003
>>
Impreza WRX F4-2.0L DOHC Turbo
>>
Repair and Diagnosis
>>
Diagrams
>>
Exploded Views
>>
Differential Assembly
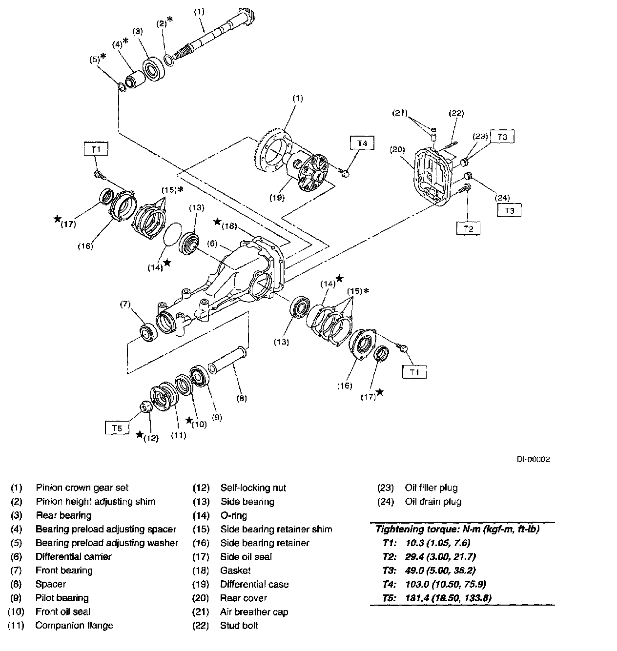
Differential Assembly
COMPONENT
REAR DIFFERENTIAL WITHOUT LSD
REAR DIFFERENTIAL WITH LSD
REAR DIFFERENTIAL MOUNTING SYSTEM