FREE REPAIR MANUALS & LABOR GUIDES 1982-2013 Vehicles
Courtesy of Operation CHARM: Car repair manuals for everyone.

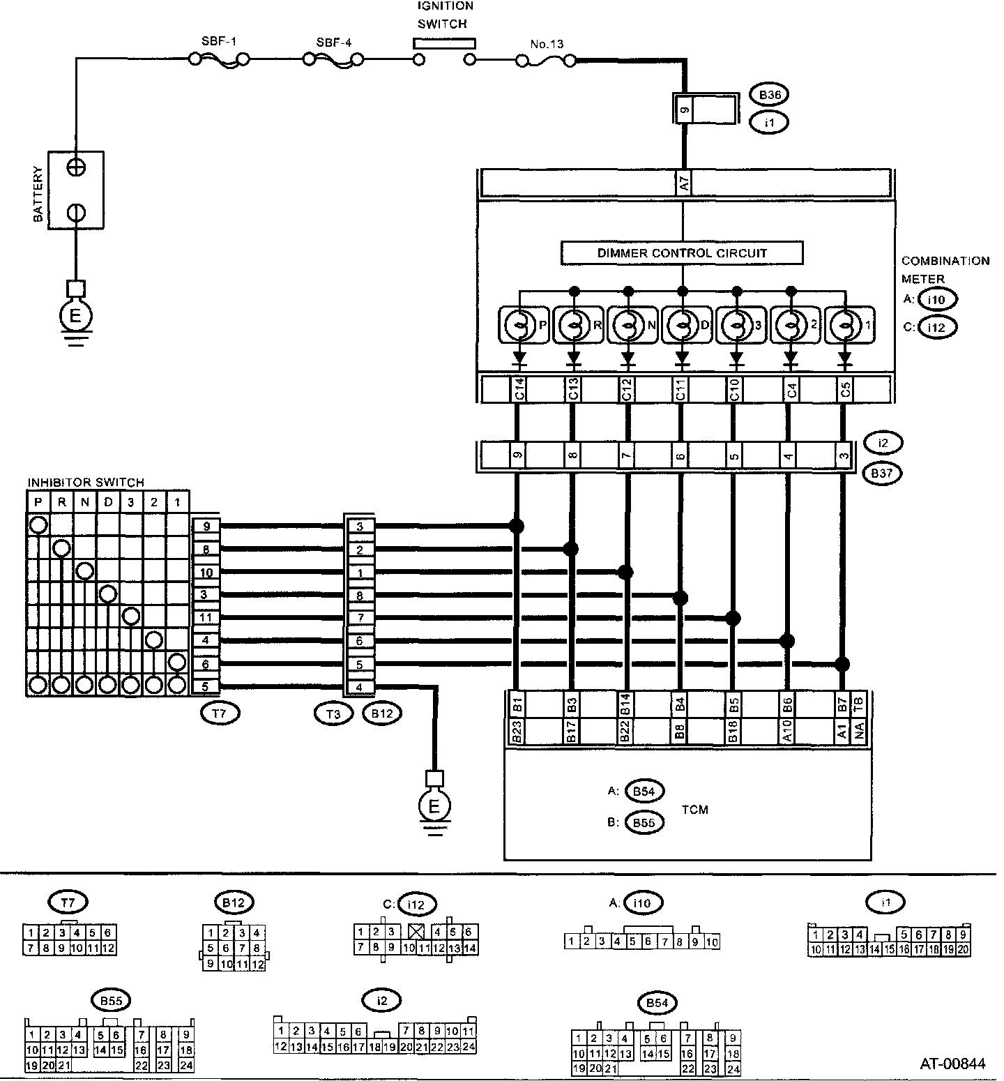
Check Inhibitor Switch

CHECK INHIBITOR SWITCH

DIAGNOSIS:
Input signal circuit of inhibitor switch is open or shorted.

TROUBLE SYMPTOM:
^ Shift characteristics are erroneous.
^ Engine brake is not effected when selector lever is in "3" range.
^ Engine brake is not effected when selector lever is in "2" range.
^ Engine brake is not effected when selector lever is in "1" range.





WIRING DIAGRAM:

Test 1 Of 12:




Test 2 Of 12:




Test 3 Of 12:




Test 4 Of 12:




Test 5 Of 12:




Test 6 Of 12:




Test 7 Of 12:




Test 8 Of 12:




Test 9 Of 12:




Test 10 Of 12:




Test 11 Of 12:




Test 12 Of 12: