FREE REPAIR MANUALS & LABOR GUIDES 1982-2013 Vehicles
Courtesy of Operation CHARM
:
Car repair manuals for everyone.
Home
>>
Subaru
>>
2003
>>
Forester F4-2.5L SOHC
>>
Repair and Diagnosis
>>
Diagrams
>>
Electrical Diagrams
>>
Starting System
>>
MT Model
MT Model
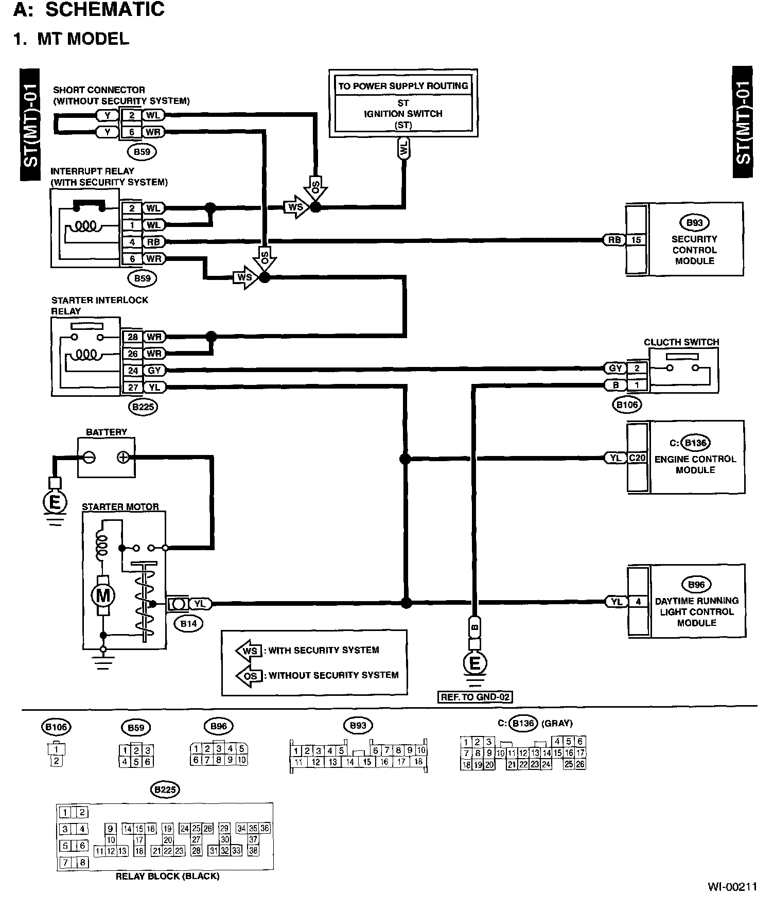
ST(MT)-01:
Diagrams
: Other diagrams referred to by name within these diagrams (i.e. "REF. TO GND-01", etc) can be found at
Diagrams by Diagram Name
.
Diagrams By Diagram Name