FREE REPAIR MANUALS & LABOR GUIDES 1982-2013 Vehicles
Courtesy of Operation CHARM
:
Car repair manuals for everyone.
Home
>>
Subaru
>>
1995
>>
Legacy Sedan 4WD F4-2.2L SOHC
>>
Repair and Diagnosis
>>
Diagrams
>>
Exploded Views
>>
Starter Motor
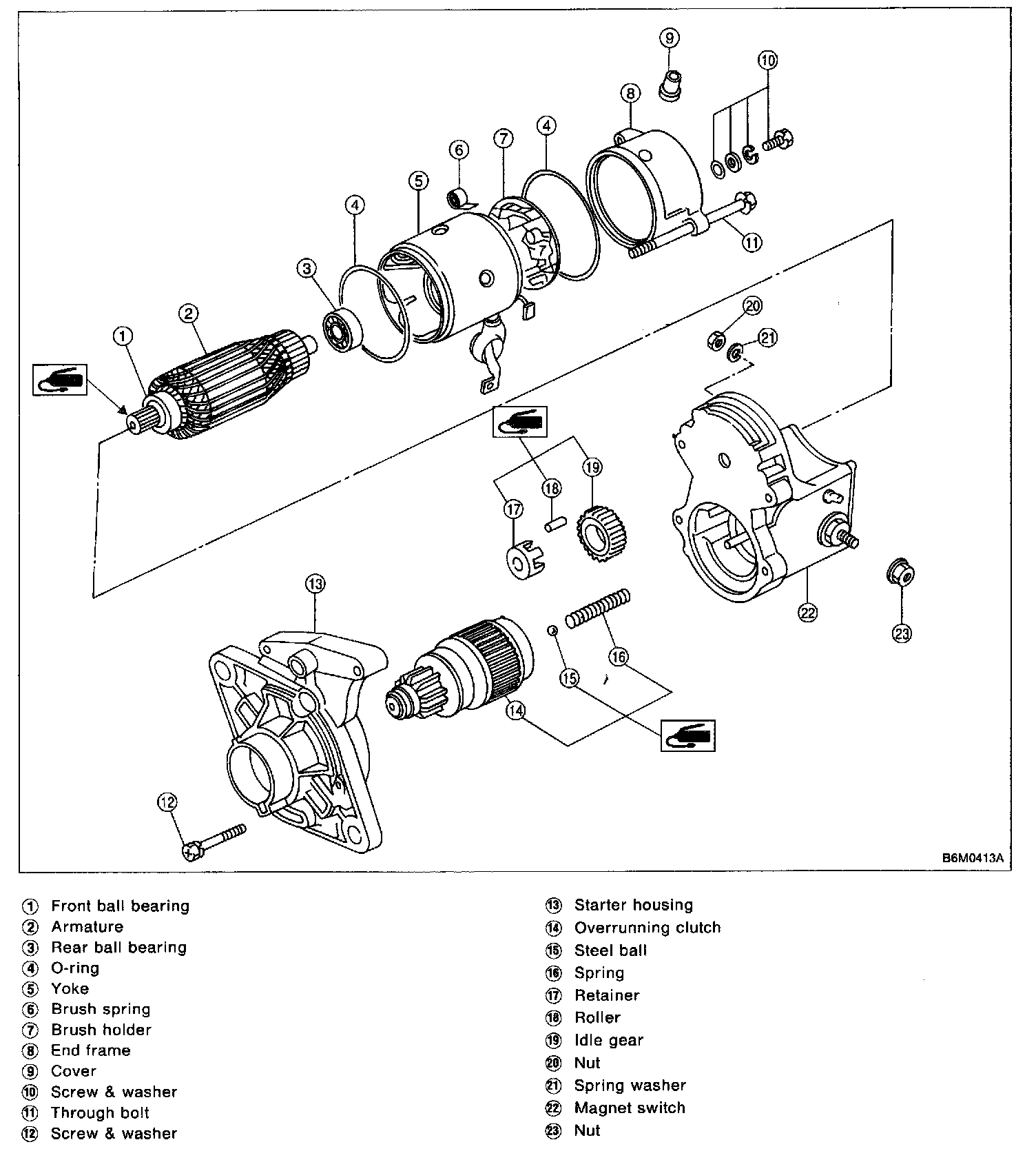
Starter Motor
Starter (MT : 128000-8311):
Starter (AT : 128000-8321):