FREE REPAIR MANUALS & LABOR GUIDES 1982-2013 Vehicles
Courtesy of Operation CHARM
:
Car repair manuals for everyone.
Home
>>
Subaru
>>
1995
>>
Legacy Sedan 2WD F4-2.2L SOHC
>>
Repair and Diagnosis
>>
Specifications
>>
Mechanical Specifications
>>
Manual Transmission/Transaxle
>>
System Specifications
>>
Torque Specifications
>>
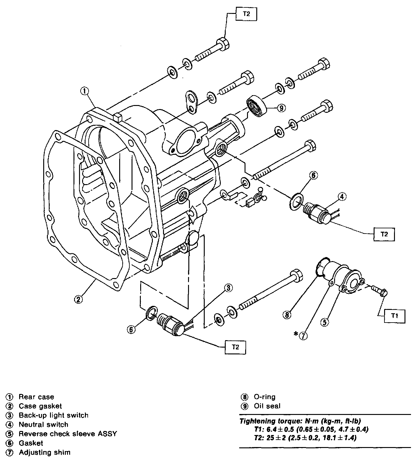
Rear Case (FWD Model)
Rear Case (FWD Model)