FREE REPAIR MANUALS & LABOR GUIDES 1982-2013 Vehicles
Courtesy of Operation CHARM
:
Car repair manuals for everyone.
Home
>>
Subaru
>>
1995
>>
Legacy Sedan 2WD F4-2.2L SOHC
>>
Repair and Diagnosis
>>
Powertrain Management
>>
Transmission Control Systems
>>
Diagrams
>>
Electrical Diagrams
>>
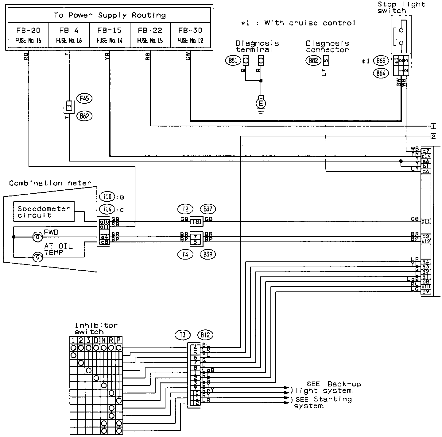
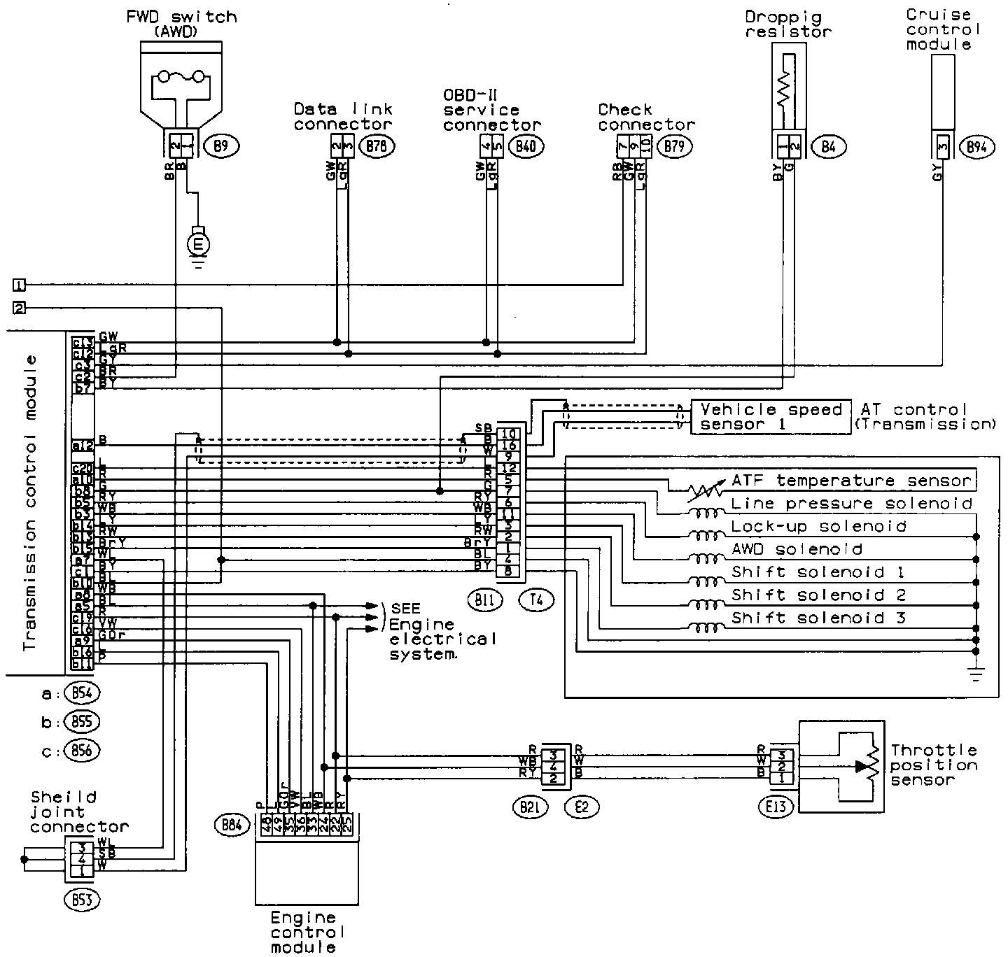
A/T Control System Circuits
A/T Control System Circuits
AT Control System (Part 1 Of 2):
AT Control System (Part 2 Of 2):