FREE REPAIR MANUALS & LABOR GUIDES 1982-2013 Vehicles
Courtesy of Operation CHARM: Car repair manuals for everyone.

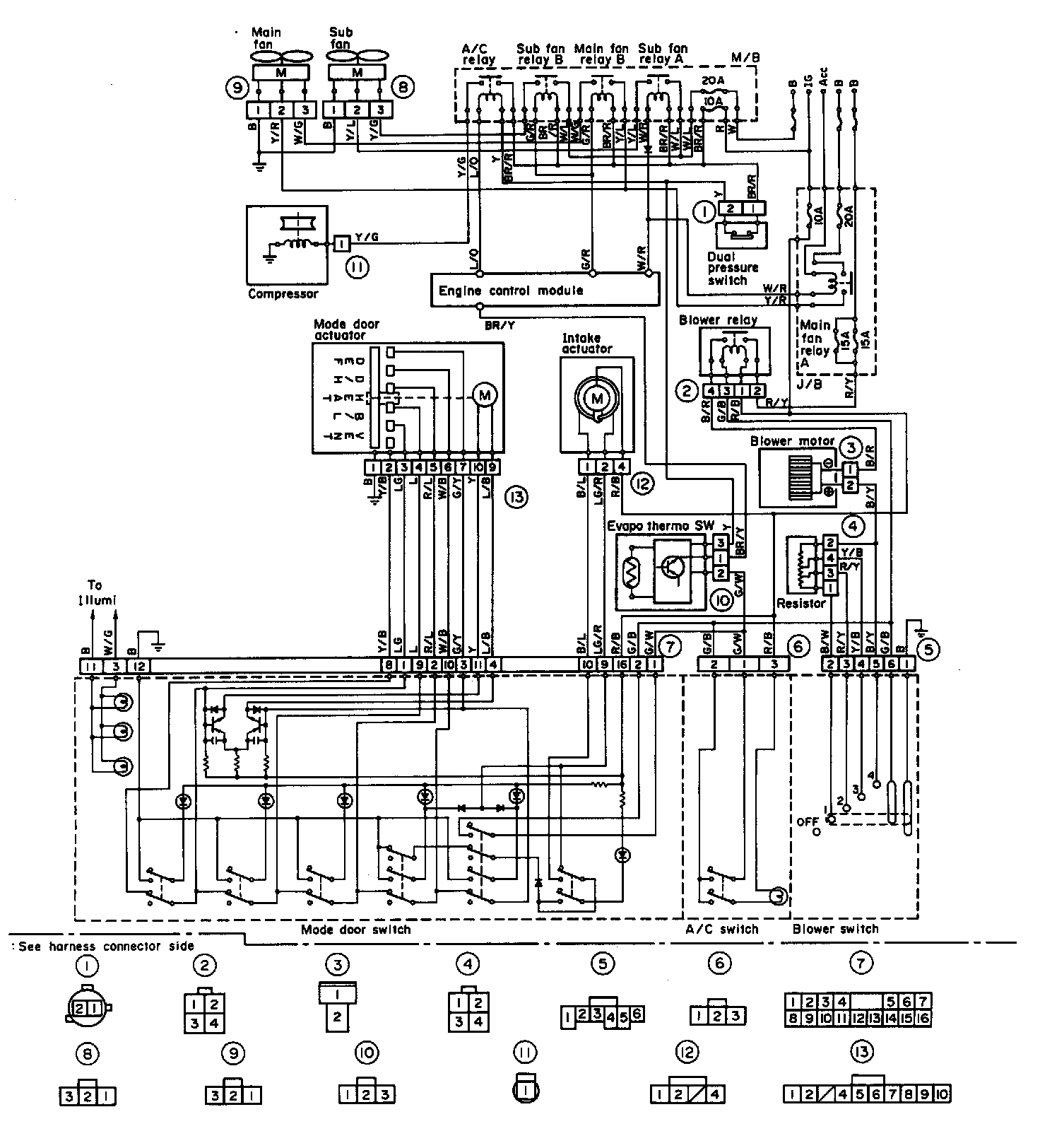
1. Schematic





1. SCHEMATIC
1) When the A/C switch and fan switch are turned ON, the A/C relay activates. The compressor is turned on, and then the main and sub fans also operate. Blower relay operates to direct the air flow rate determined by FAN switch position.
2) The thermo amplifier activates to stop the main and sub fans, and disengage compressor clutch.
3) When the "High-Low" pressure switch operates, disengage the compressor clutch, and the main and sub fans are stop.