FREE REPAIR MANUALS & LABOR GUIDES 1982-2013 Vehicles
Courtesy of Operation CHARM
:
Car repair manuals for everyone.
Home
>>
Subaru
>>
1995
>>
Impreza Sedan AWD F4-2.2L SOHC
>>
Repair and Diagnosis
>>
Powertrain Management
>>
Transmission Control Systems
>>
Diagrams
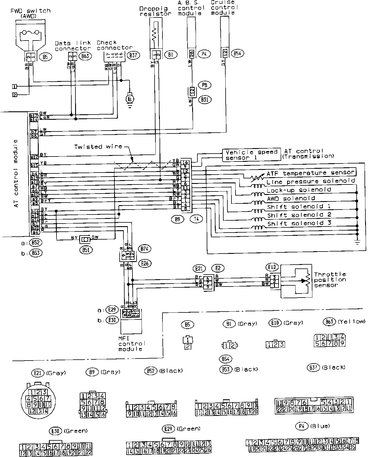
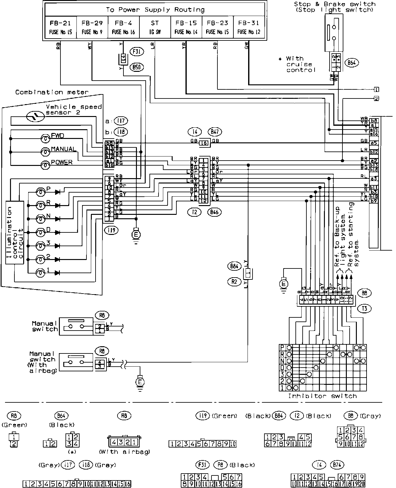
Transmission Control Systems: Diagrams
Transmission Controls (Automatic):
Transmission Controls (Automatic):