FREE REPAIR MANUALS & LABOR GUIDES 1982-2013 Vehicles
Courtesy of Operation CHARM
:
Car repair manuals for everyone.
Home
>>
Subaru
>>
1994
>>
Legacy Wagon 4WD F4-2.2L SOHC
>>
Repair and Diagnosis
>>
Specifications
>>
Mechanical Specifications
>>
Heating and Air Conditioning
>>
System Specifications
>>
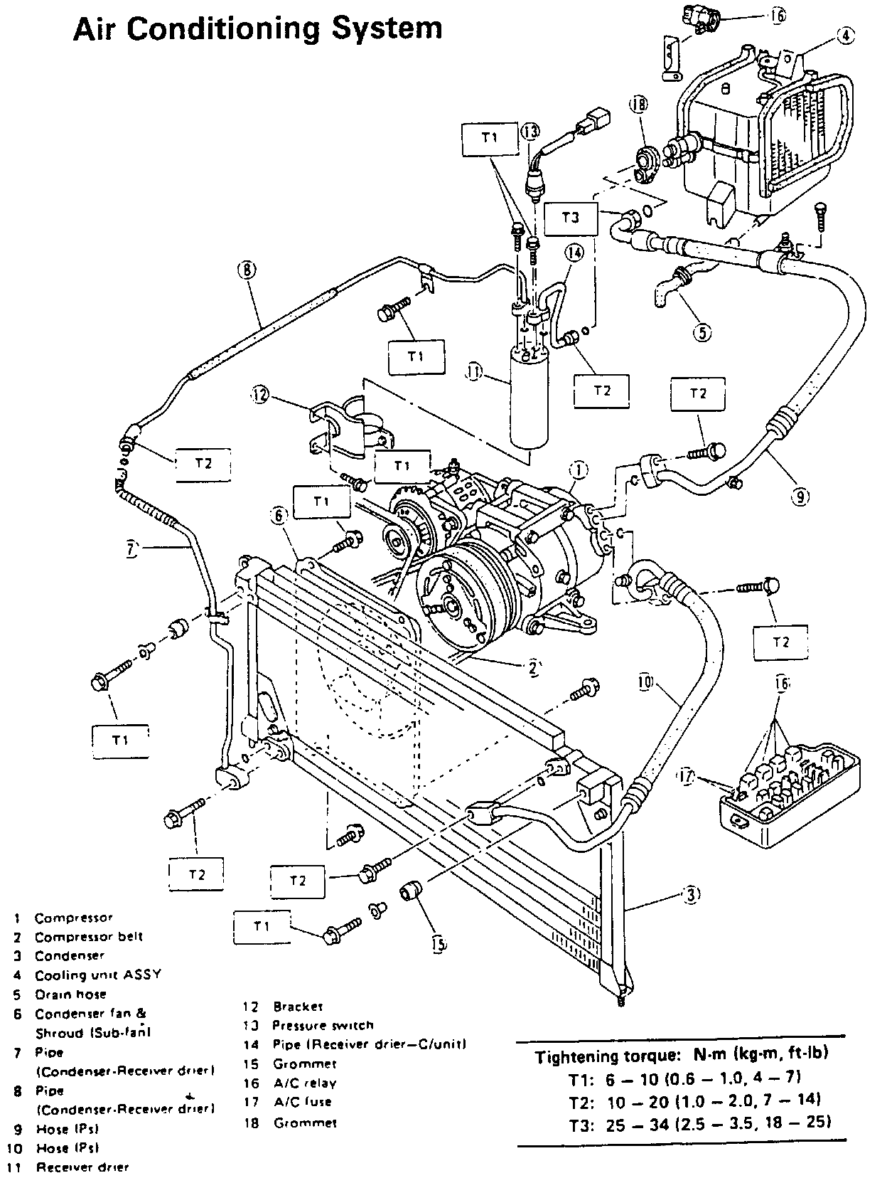
Air Conditioning System
Air Conditioning System