FREE REPAIR MANUALS & LABOR GUIDES 1982-2013 Vehicles
Courtesy of Operation CHARM: Car repair manuals for everyone.

Torque Specifications

TORQUE SPECIFICATIONS





Timing Components





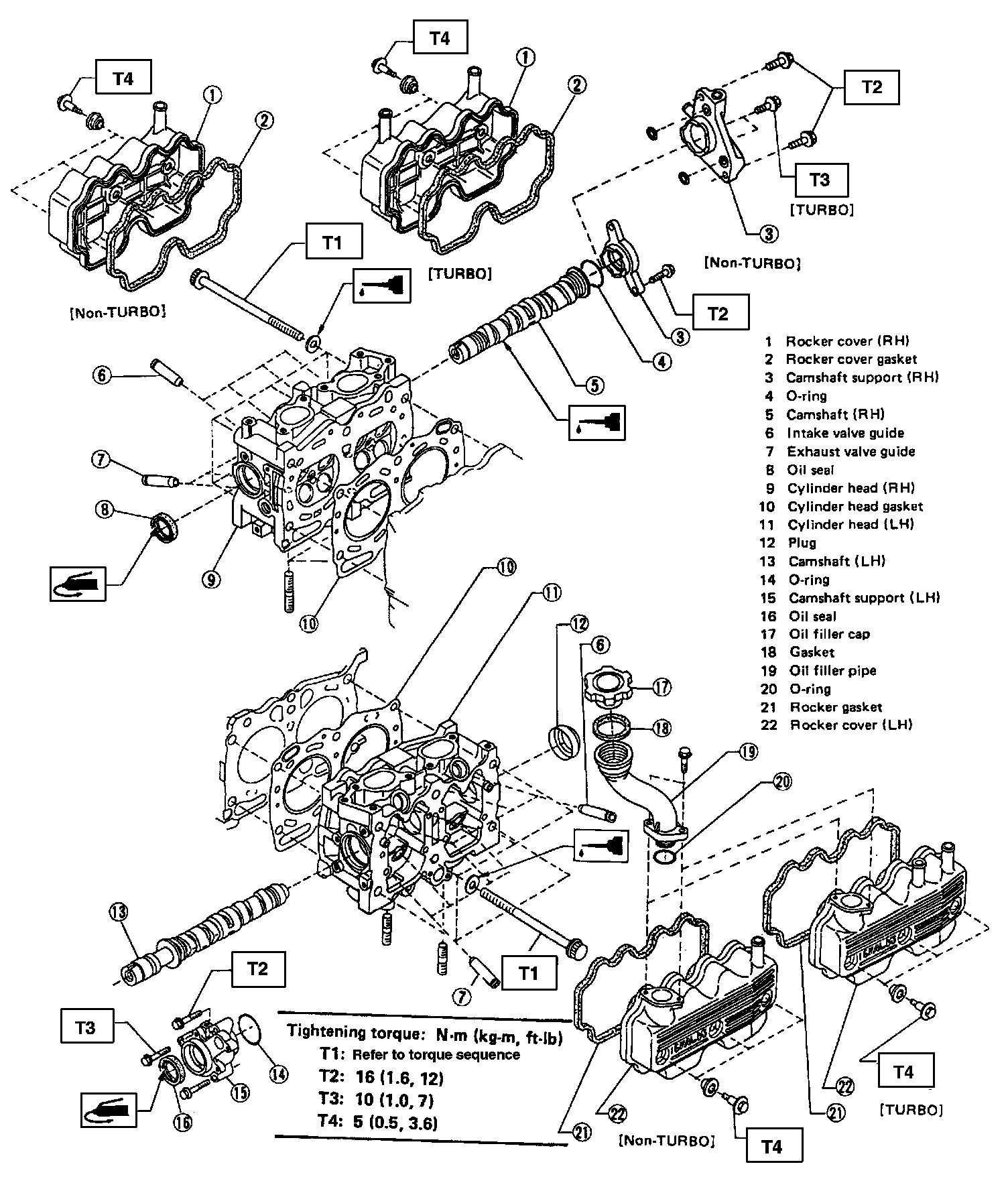
Cylinder Head and Camshaft





Cylinder Head Valve Assembly

Valve Rocker Assembly:




Valve Rocker Assembly Torque Sequence:





Valve Rocker Assembly





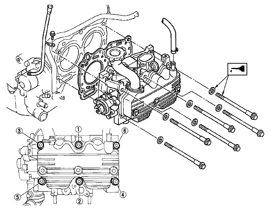
Cylinder Head Bolt Torque/Sequence

Note: Apply a coat of engine oil to washers and bolt threads.

1. Tighten all bolts to 29 N.m (3.0 kg-m, 22 ft-lb) in numerical order.
2. Then tighten all bolts to 69 N.m (7.0 kg-m, 51 ft-lb) in numerical order.
3. Back off all bolts by 180° first; back them off by 180° again.
4. Tighten bolts (1) and (2) to 34 N.m (3.5 kg-m, 25 ft-lb).
5. Tighten bolts (3), (4), (5) and (6) to 15 N.m (1.5 kg-m, 11 ft-lb).
6. Tighten all bolts by 80° to 90° in numerical sequence.

CAUTION: Do not tighten bolts more than 90°.

7. Further tighten all bolts by 80° to 90° in numerical sequence.

CAUTION: Ensure that the total "re-tightening angle" does not exceed 180°.





Cylinder Block Assembly





Crankshaft, Piston and Flywheel





Oil Pump and Oil Pan

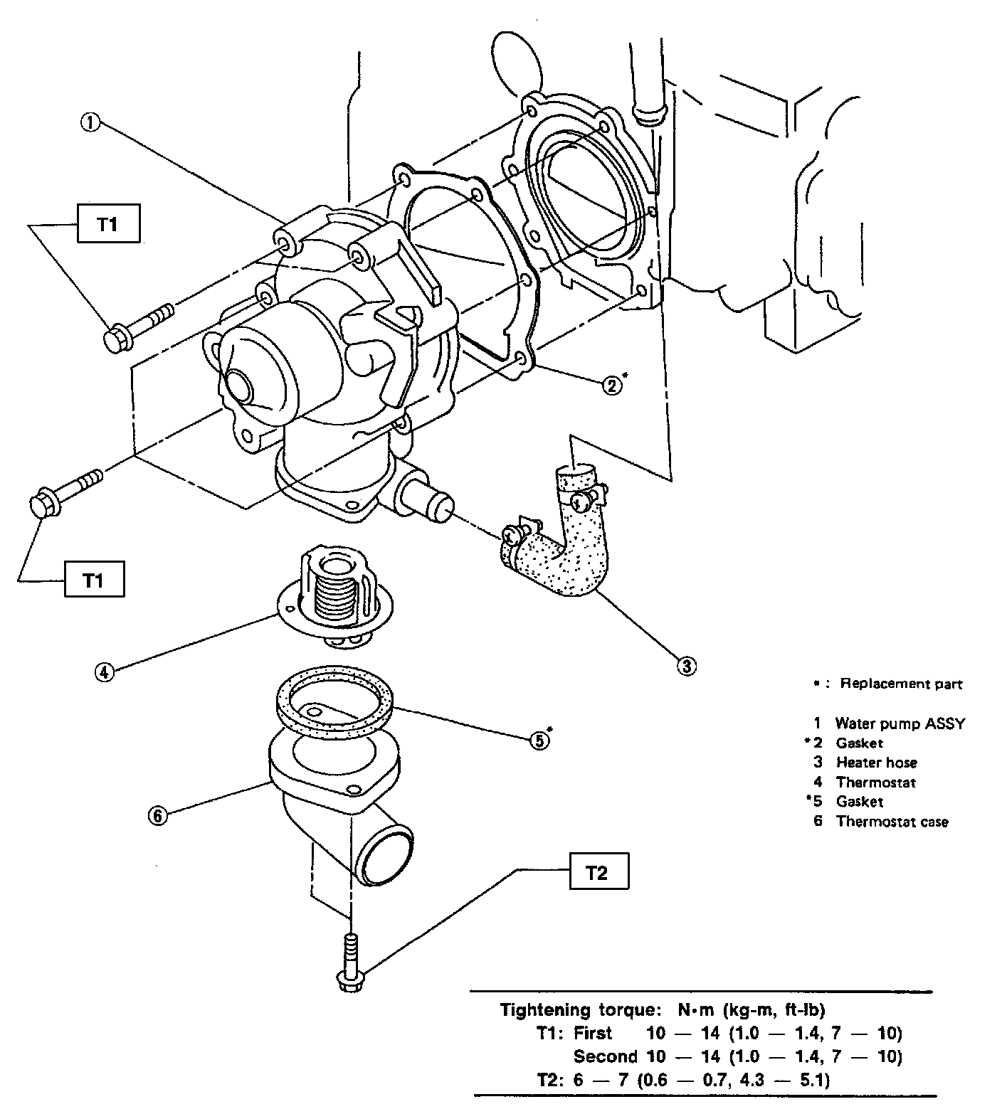
Water Pump:




Coolant Pipe:





Water Pump and Coolant Pipe

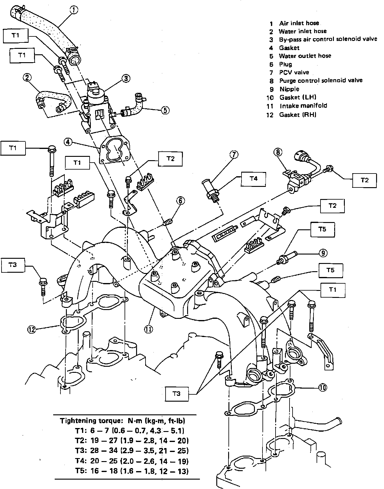
Intake Manifold:





Intake Manifold