FREE REPAIR MANUALS & LABOR GUIDES 1982-2013 Vehicles
Courtesy of Operation CHARM
:
Car repair manuals for everyone.
Home
>>
Subaru
>>
1988
>>
XT-6 2WD L6-2.7L SOHC
>>
Repair and Diagnosis
>>
Powertrain Management
>>
Computers and Control Systems
>>
Transmission Position Sensor/Switch
>>
Locations
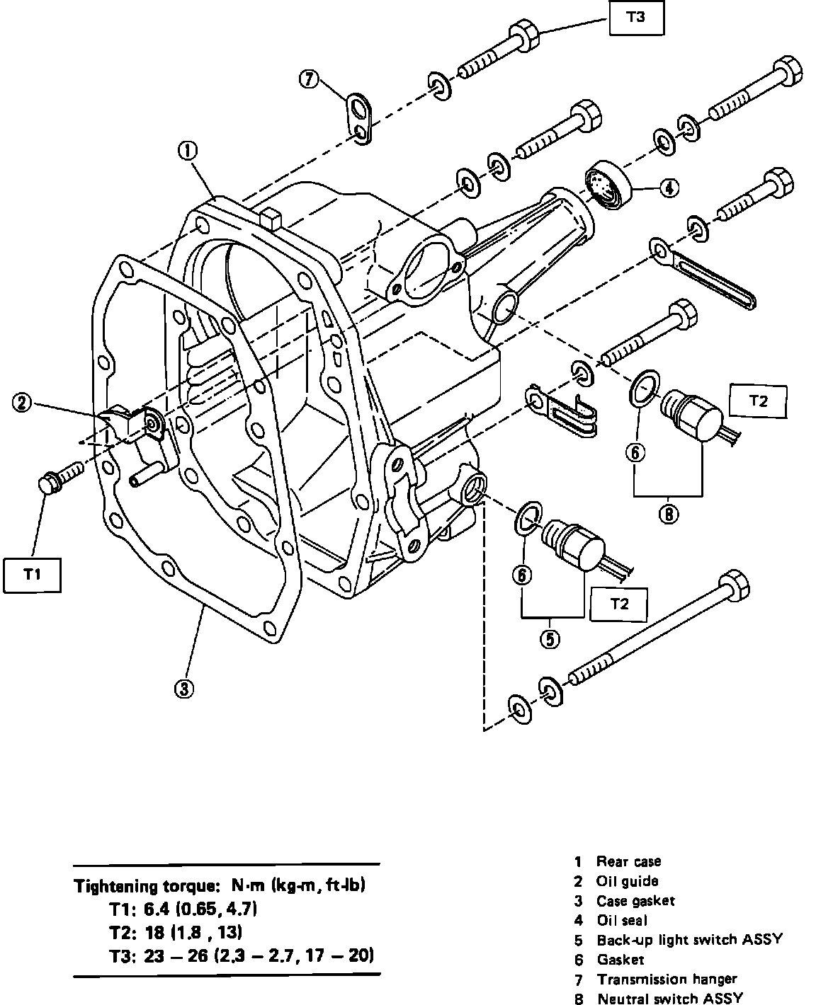
Transmission Position Sensor/Switch: Locations
Rear Case: